

| G-Switch 东莞品赞电子科技有限公司 | |||||
|
SPECIFICATION 規格書 |
|||||
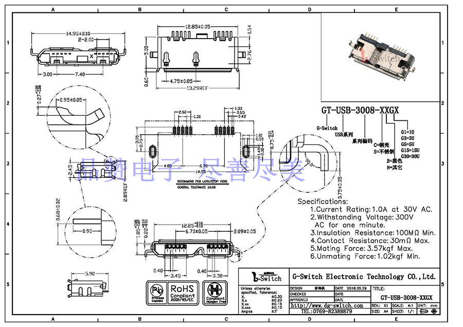
| Designation 品名: | USB3.0 双脚沉板0.75 有边 | ||||
| Model No. 型 號: | |||||
| 1. Rating額定值: | DC 48V 0.2A | ||||
| 2. Operation temperature range 使用溫度範圍: | -20℃~+70℃ | ||||
| 3. Preservative temperature range 保存溫度範圍: |
|
||||
|
4. Construction dimension 結構尺寸: |
Apply to the appended drawing: 符合附加圖紙 |
||||
| Item 项目 | Test condition 測試條件 | Specification規格 | |||
| 5. Electrical characteristics電氣性能 | |||||
| 5A |
Contact Resistance 接觸阻抗 |
Being measured at 1KHz small current contact esistance meter. 在1KHZ小電流下測量. |
30mΩ max. 30毫歐以下. |
||
| 5B |
Insulation Resistance 絕緣阻抗 |
APPLY A VOLTAGE OF 500V DC FOR 1 MIN. TO
FOLLOWING PORTIONS AFTER WHICH
MEASUREMENT SHALL BE MADE:
(1) BETWEEN BODY AND CONDUCTOR
(2) BETWWEN CONDUCTORS NOT TO BE
CONTACT
输入:500V DC 电压1分钟,按以下接触方法测试:
(1)接触端子之间
(2)胶座与排脚之间
|
100MΩ min. 100兆歐以上. |
||
| 5C |
Withstand Voltage 耐電壓 |
AC AC 500V IMS(50Hz) FOR 1 MIN TRIP CURRENT:
0.5mA
(1)BETWEEN BODY AND CONDOCTOR
(2) BETWEEN CONDUCTORS NOT TO BE CONTACT
输入AC 500V(50HZ)电压,1分钟感应电流0.5mA,接以
下接触方法测试:
(1)排脚相互之间
(2)排脚与外壳之间
|
WITHOUT DAMAGE TO
PARTS ARCING OR
BREAKOOWN ETC
没有绝缘破坏等异常
|
||
| 6. Mechanical characteristics 機械性能 | |||||
| 6A |
Insertion and Extraction force 插拔力 |
插入力度:
MEASUREMENT SHALL BE MADE AFTER
CONNECTING AND DISCONNECTING USING
STANDARD PLUG GAUGE 3 TIMES.
依据标准的PLUG GAUGE 做出3次拨插后测定
拔出力度:
MEASUREMENT SHALL BE MADE AFTER
CONNECTING AND DISCONNECTING USING
STANDARD PLUG GAUGE 3 TIMES.
依据标准的PLUG GAUGE 做出3次拨插后测定
|
(0.7kg~4kg) | ||
| 6B |
Terminal Strength 端子強度 |
A STATIC LOAD OF (300gf)SHALL BE APPLIED
TO THE TIP OF TERMINAL FOR 1MIN. IN ANY
DIRECTION.
在任意一个方向的先端加上(300gf)力度测,时间为
1 分钟。
|
THERE SHALL BE NO DAMAGE
TO THE TERMINAL SUCH AS
CRACKS, LOOSENESS OA PLAY
ELECTRICAL AND MECHANICAL
CHARACTERISTICS SHALL BE
SATISFIED
在排脚中没有裂开,松动等异常。
满足于机械,电气性能。
|
||
| 7. Durability 耐久性 | |||||
| 7A |
Soldering test 可焊性試驗 |
THE TOP OF THE TERMINALS SHALL BE DIPPED
2mm IN THE SOLDER BATH OF 230±5℃ FOR
3±0.5 SECONDS.
端子顶部被浸入锡焊池中1mm 深,温
度为230±5℃,时间为3±0.5 秒。
|
THE AREA OF SOLDERING.
SHOULD BE OVER 75%.
焊接面积要有75%以上。
|
||
| 7B |
Resistance to soldering heat 耐焊接熱 |
SOLDER BATH METHOD:
SOLDER TEMPERATURE 260±5℃ IMMERSION
TIME 3±0.5 SEC IMMERSION DEPTH UP TO THE
SURFACE OF THE BOARD THICKNESS OF
PRINTED WIRING BOARD 1.6mm DIMENSIONS
OF COMPONENT HOLES IN THE PRINTED
WIRING BOARD SHALLBEING ACCORDANCE
WITH THOSE
SPECIFIED IN THIS SPECIFICATION.
焊炉焊接的时候温度控制在260±5℃,过
炉时间3±0.5 秒,于(基板)厚度为1.6mm
|
WITHOUT DEFORMATION OF
CASE OR EXCESSTVE
LOOSENESS OF TEMINALS
ELEXTRICAL
CHARACTERISTICS SHALL BE
SATISFIED.
本体无变形、能满足于机械、电气
性能。
|
||
|
Remark 備 註 |
G-Switch 东莞品赞电子科技有限公司 www.dg-switch.com | ||||
| Designation 品名: | USB3.0 双脚沉板0.75 有边 | |||
| Model No. 型 號: | ||||
| Item 项目 | Test condition 測試條件 | Specification規格 | ||
| 7C |
Life test 壽命試驗 |
WITHOUT LOAD:
CONNECTION AND DISCONNECTION SHALL
BE MADE WITH THE MATING PLUGS AND
JACKS FOR 10,000 CYCLES AT A SPEED OF 15
TO 18CYCLES/MIN.
无负荷:将结合了的标准(尽量要近于中心点)在1
分钟内以15~18 的速度,进行10,000 次
插入、拨出。
|
(1) CONTACT RESISTANCE SHALL
BE 200m MAX.
(2) MECHANICAL AND
ELECTRICAL
CHARACTERISTICS SHALL BE
SATISFIED.
(1)接触电阻不能超于200m。
(2)其他、满足于机械、电气性能。
|
|
| 7D |
Heat test 耐熱試驗 |
THE JACK SHALL BE STORED AT A
TEMPERATURE OF 85±2℃ FOR 96 HOURS
AND THEN IT SHALL BE SUBJECTED TO THE
CONTROLLED RECOVERY CONDITIONS FOR
1 HOUR AFTER WHICH MEASUREMENT SHALL
BE MADE.
放置在温度85±2℃中测试96 小时后,再放置正常
室温中1 小时来测定。
|
(1). Contact resistance: 30mΩmax. 接觸電阻:30毫歐以下 (2). Insulation resistance: 100MΩmin. 絕緣電阻: 100兆歐以上 (3). There shall be no sign of damage mechanically and electrically. 無任何迹象顯示機械及電器性能之損壞. |
|
| 7E |
Humidity test. 耐濕試驗 |
THE JACK SHALL BE STORED AT A
TEMPERATURE OF 40±2℃ AND A HUMIDITY
OF 90% TO 96% FOR 96 Hr THEN THE JACK
SHALL BE MAINTAINED AT STANDARD
ATMOSPHERIC CONDITION FOR 1 Hr FOR
OTHER PROCEDURES.
放置40±2℃,的相对温度为90~96%Hr 环境中96
小时后,再将样板放在正常环境1小时后进行测试
|
||
| 7F |
Cold test 耐寒試驗 |
At –40±2℃ for 96 hours, after test keep in normal condition for 30 minutes. 在-40±2℃環境中放96小時,再置於 正常環境中30分鐘後進行測試. |
||
| 7G |
RESISTANCE
SALT SPRAY
TEST
耐盐雾性试验
|
CONNECTOR AT THE CONNENTRATION OF 5±
1% OF THE SALT WATER,AMBIENT
TEMPERATURE:35±2°C ,SPRAY 12 HOURS AFTER
REMOVAL,CLEAN WATER,DRIED MEET.
连接器放置在浓度为5±1%的盐水中,温度为35±2°C
的实验箱内,喷雾12 小时后取出,用水清洗,晾干满
足
|
IN THE ABSENCE OF METAL
CORROSION,COATING REVIEW
AREA OF MORE THAN 80
PERCENT
外观 基体金属无锈蚀,镀层覆面
80%以上。
|
|
| 8. Standard condition 試驗、測定狀態 | ||||
|
UNLESS OTHERWISE SPECIFIED THE
STANDARD RANCE OF ATMOSPHERIC
CONDITIONS FOR MAKING MEASUREMENTS
AND TESTS ARE AE FOLLOWS:
(1) AMBIENT TEMPERATURE : 5℃ TO 35℃
(2) RELATIVE HUMIDITY : 45% TO 85%
(3) AIR PRESURE : 80Kpa TO 106Kpa
在没有指定的情况下测试温度、湿度、气压如下:
(1) 温度为 5℃~ 35℃
(2) 湿度为 45%~ 85%
(3) 气压为 80Kpa~ 106Kpa
|
||||
|
Remark 備 註 |
G-Switch 东莞品赞电子科技有限公司 www.dg-switch.com | |||