
| NO. | Molde Code | Specifications | |
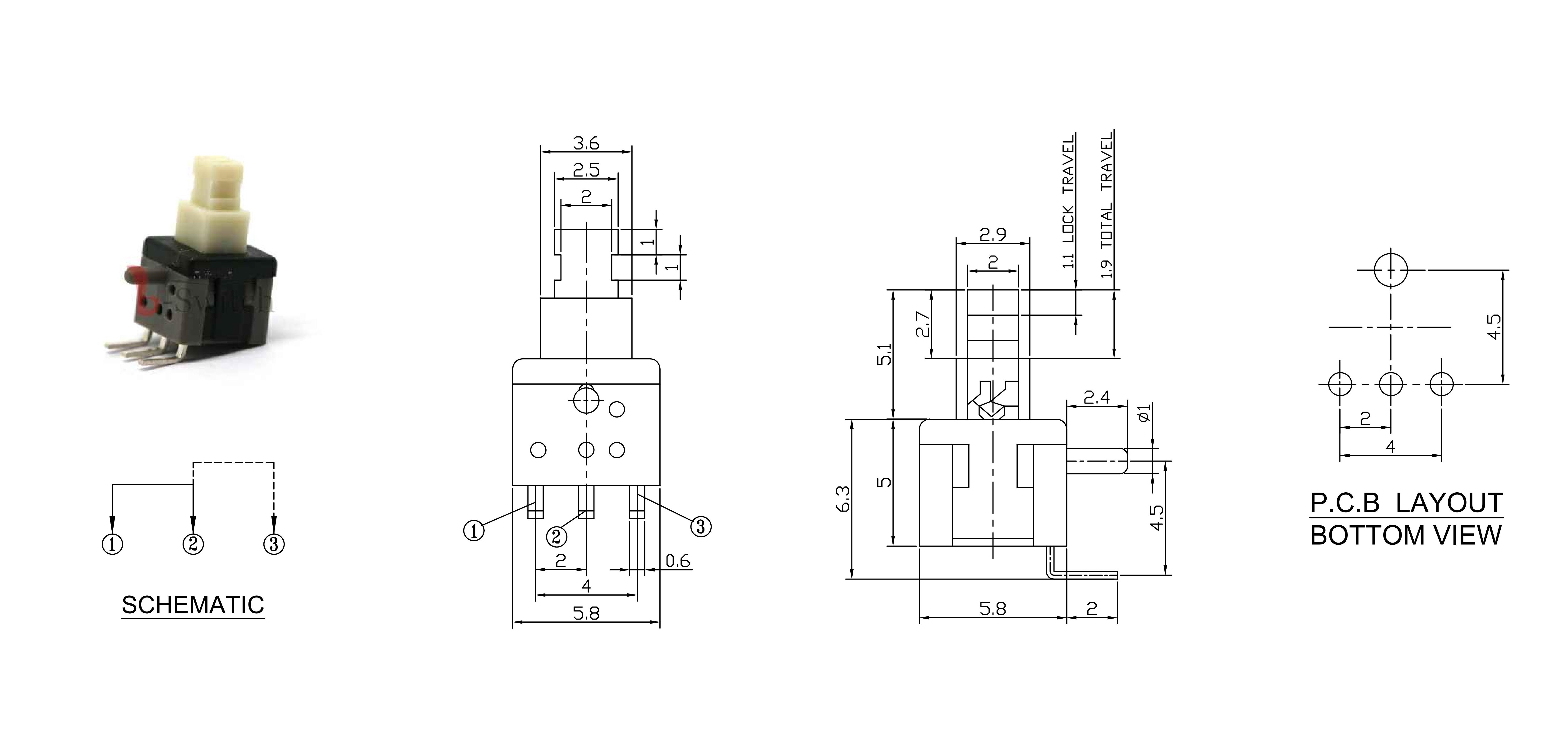
| 1 | PS-5850DHX-3PLA | 卧式高头自锁,CH=2.9mm,行程1.0mm,按动力180/250gf,带柱 |
![]() |
| 2 | PS-5850DHX-3PNA | 卧式高头无锁,CH=2.9mm,行程0.7mm,按动力180/250gf,带柱 |
![]() |
| 3 | PS-5850DHX-3PLN | 卧式高头自锁,CH=2.9mm,行程1.0mm,按动力180/250gf,无柱 |
![]() |
| 4 | PS-5850DHX-3PNN | 卧式高头无锁,CH=2.9mm,行程0.7mm,按动力180/250gf,无柱 |
![]() |

| No. |
项 目 |
测试方法 Test Method |
测试设备 Equipment |
特性要求 Requirements |
| 3.1 |
接触电阻 Contact Resistance |
在低电流(≤100mA)条件下测试. Measured at low current (100mA or less). |
低电阻测试仪 Low Resistance Meter |
100mΩ max |
| 3.2 |
绝缘阻抗 Insulation Resistance |
测试相邻引脚之间,引脚与外壳之间的绝缘阻抗. Measurement shall be made between adjacent terminals, between terminal and shell. |
绝缘测试机
InsulationResistance
Tester
|
100MΩ min |
| 3.3 |
耐压测试 Dielectric Withstand Voltage |
输入一定电压(50-60Hz,电压值AC 250V)1 分钟, 漏电流为2mA,测试邻近端子间. Apply certain voltage (50-60Hz, AC 250V) for 1 minute between adjacent contacts of the connector with 2mA leakage sensitivity. |
耐压测试机
Puncture Tester
|
没 有 绝 缘 破 坏 . 电弧等异常. No arcing , break down and damaging insulation. |
| No. |
项 目 |
测试方法 Test Method |
测试设备 Equipment |
特性要求 Requirements |
| 4.1 |
操 作 力 Operation Force |
逐渐施力操作开关按键,测量开关到达全部工作行程时 所需的最大操作力度。 Operate the keystoke of the switch and then increase press strength gradually, Measured maximum operation force while the travel of the switch is full. |
测力计 Force Gauge |
240±50gf |
| 4.2 |
行 程 Full travel |
垂直操作开关按键,量测开关顶端最大移动距离. Operate the keystoke of the switch vertically, the travel distance of keystoke moving from its free position to maximum moving distance shall be measurement. |
游标卡尺
Vernier Caliper |
2.4±0.2mm |
| No. |
项 目 |
测试方法 Test Method |
测试设备 Equipment |
特性要求 Requirements |
| 5.1 |
可焊性试验 Solder ability Test |
端子顶部被浸入焊锡炉中,温度为 260±5℃, 时间 5±1 秒. The top of the terminals shall be dipped in the solder bath at 260±5℃ for5±1 seconds. |
控温锡炉 Solder Stove |
引脚至少 95%上锡. Ninety-five percent of terminals shall be dipped. |
| 5.2 |
寿命试验 Operation Life |
开关在寿命试验设备上以约90 次/分的速度 连续被操作,具体次数见规格图示。 Switch shall be operated continuously at about 90 cycles /min without load. |
寿命试验机
Life Tester |
寿命: 100,000 次 实验后: 绝缘电阻:10MΩ Min 操作力:变化在±50%内 开关外观及结构无损坏。 Life test:100,000cycles After test: Insulation resistance: 10MΩ Min Operating force: Change should be within ±50% of specified value. No abnormalities shall be recognized in appearance and construction. |
| 5.3 |
耐焊接热 Resistance to Soldering heat |
端子焊接部分浸入焊炉,焊炉温度 260± 5℃,焊接时间 5±1 秒。(焊接时不可于 端子施加外力)。 Terminals shall be dipped in the solder bath at 260±5℃ for 5±1 seconds without additional force for terminals. |
控温锡炉
Solder Stove |
本体无变形,能满足 于机械、电气性能. Appearance should be not damaged, electrical and mechanical characteristics shall be satisfied. |
| 5.4 |
耐高温测试 Resistance to Heat Test |
放置在温度 80±2℃环境中 96 小时后, 再置于正常条件下 1 小时后测定。 The switch shall be stored at a temperature of 80±2℃ for 96 hours, Measurements shall be made after it be subjected to the standard conditions for 1 hour. |
高低温 试验机 High & Low Temperature Tester |
外观,机械及电气性 能均符合要求。 Appearance, electrical and mechanical characteristics shall be satisfied. |
| 5.5 |
耐低温测试 Resistance to Cold Test |
放置在温度-20±2℃环境中 96 小时后, 再置于正常条件下 1 小时后测定。 The switch shall be stored at a temperature of -20±2℃ for 96 hours, Measurements shall be made after it be subjected to the standard conditions for 1 hour. |
高低温 试验机 High & Low Temperature Tester |
外观,机械及电气性 能均符合要求。 Appearance, electrical and mechanical characteristics shall be satisfied. |
| 5.6 |
耐湿性测试 Resistance to Humidity Test |
放置于温度 40±2℃,相对湿度为 90~96% 环境中 96 小时后,再置于正常条件下 1 小时后测定(注意要擦去水滴)。 The switch shall be stored at a temperature of 40±2℃,relative humidity 90~96% for 96 hours, Measurements shall be made after it be subjected to the standard conditions for 1 hour (Wipe out water drip). |
恒温恒湿箱 Temperature & Humidity Tester Chamber |
外观,机械及电气性 能均符合要求。 Appearance, electrical and mechanical characteristics shall be satisfied. |
| 5.7 |
盐雾实验 Salt Mist Test |
试件在下述实验后测量: 1.温度: 35±5ºC 2.盐溶液浓度:5±1%(质量百分比), 3.试验时间:24 小时, 4.试验后,将盐沉积物用水冲掉。 The switch shall be checked after following test: 1.Temperature: 35±5ºC 2.Salt solution: 5±1%(Solids by mass) 3.Duration: 24 hours, 4.After immersing, salt deposit shall be removed by running water. |
盐雾 试验机 Salt Spray Tester |
在金属件上没有严重 腐蚀斑点。 No remarkable corrosion shall be recognized in metal parts. |