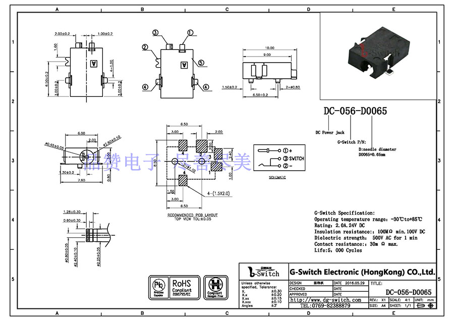
贴片DC插座DC-056
规格:9×6×3mm
型号:DC-056-D0065
包装:1000/卷
声明:有关于产品的规格、参数、寿命、工作温度、手感、防水等级等数据,只代表品赞电子内部的测试结果,如需详细测试方式,请联系品赞业务人员。
产品描述:
产品名称:贴片DC插座DC-056
产品规格:9×6×3mm
产品高度:D0065=0.65mm
生产厂家:品赞/G-Switch
产品型号:DC-056-DXXX
产品寿命:5,000次
基本参数:
工作温度范围Operating temperature range:-30℃to+85℃
额定电流Rating:2A.24V DC
绝缘电阻Insulation resistance::100MΩ min.100V DC
介电强度Dielectric strength: 250V AC for 1 min
接触电阻Contact resistance::100m Ω max.
DC插座使用注意事项:
1.选购DC插座产品时,请详细阅读以上资料,确保您能选购到对的产品。
2.选购时注意产品的PIN针大小,避免选购不对的产品。
3.选购时请说明,需要的电流大小,确定安全性能。
4.选购时请说明,贵司的焊接工艺,避免出现耐温性能问题。
以上由品赞电子(东莞)有限公司,为您详细说明。www.dg-switch.com