直键开关PS-12E05XX

直键开关PS-12E05XX

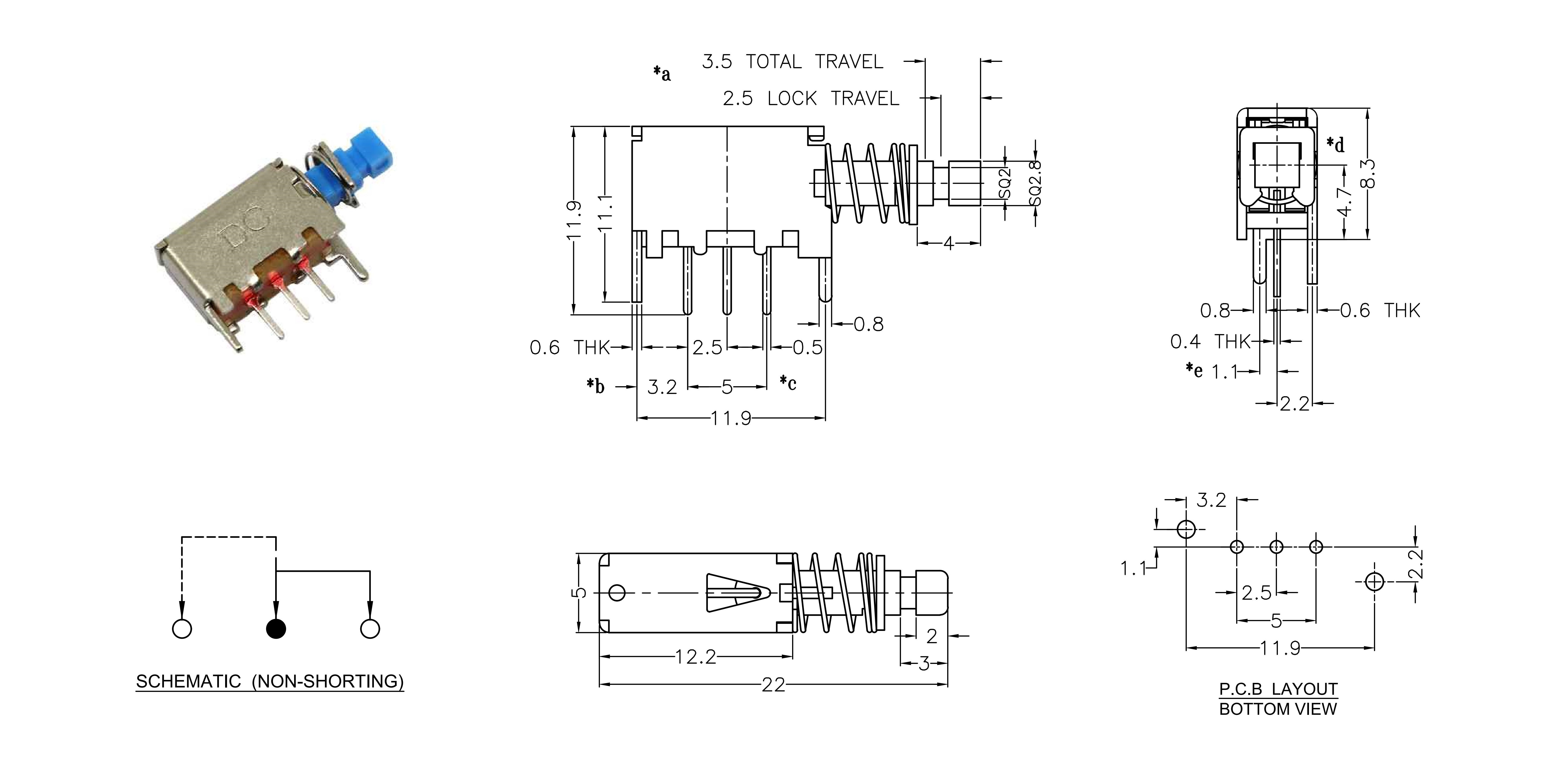
规格:12×5×8.3mm
型号:PS-12E05XX
包装:100/袋
声明:有关于产品的规格、参数、寿命、工作温度、手感、防水等级等数据,只代表品赞电子内部的测试结果,如需详细测试方式,请联系品赞业务人员。

基本说明

Specification
FUNCTION: Momentary action
CONTACT ARRANGEMENT: 1P2T SLIDE SWITCH
 
Electrical
ELECTRICAL SPECIFICATIONS:0.5A/DC30V
CONTACT RESISTANCE:≤100mΩ
INSULATION RESISTANCE(IR):≥100MΩ  DC125V
COMPRESSIVE STRENGTH (WV):AC125V 1MINUTE
STORAGE HUMIDITY:<85%RH
ELECTRICAL LIFE:10,000

MECHANICAL LIFE:100,000

LOCK TRAVEL:2.5mm
TOTAL TRAVEL:3.5mm
 
Environmental
OPERATING TEMPERATURE: -25˚C ~+65°C

Molde code:

尺寸图

产品说明

PS按键开关使用说明书:
ITEM 项目 TEST CONDITIONS 测试条件 PERFORMANCE 规格
 
4.1
CONTACT
RESISTANCE
接触电阻
MEASURED AT 1KHz SMALL CURRENT(100mA OR LESS)
在1KHz微小电流(100mA以下)测试.
100mΩMAX.
100毫欧以下
 
 
 
4.2
 
 
INSULATION
RESISTANCE
绝缘电阻
APPLY A VOLTAGE OF 500V DC FOR 1 MIN.
TO FOLLOWING PORTIONS AFTER WHICH
MEASUREMENT SHALL BE MADE.
(1)BETWEEN BODY AND TERMINAL。
(2)BETWEEN TERMINALS。
输入500V DC 电压1分钟,按以下接触方法测试:
(1)排脚相互之间。
(2)排脚与外壳之间。
 
 
 
100MΩMIN.
100兆欧以上.
 
 
 
4.3
 
DIELECTRIC
STRENGTH
耐电压
AC 500V rms(50-60Hz)FOR 1 MIN TRIP
CURRENT:0.5mA
(1)BETWEEN TERMINALS.
(2)BETWEEN INDIVIDUAL TERMINAL AND FRAME.
输入AC 500V(50-60Hz)电压,1分钟感度电流为0.5mA,
按以下接触方法测试:
(1)排脚相互之间
(2)排脚与外壳之间.
 
WITHOUT DAMAGETOPARTS
ARCING OR BREAKDOWN ETC
没有绝缘破坏等异常
5、MECHANICAL CHARACTERISTICS (机械性能规格)
ITEM 项目 TEST CONDITIONS 测试条件 PERFORMANCE 规格
 
5.1
OPERATING
FORCE
作动力
MEASUREMENT SHALL BE MADE AT THE
NEAREST POINT OF THE COMPONENTOR 
AT THE POINT 3mm FROM THE TIP OF THE
 ACTUATOR(KNOB).
在距离胶柄前端3mm作测定点.
 
300gf±100gf
 
 
 
5.2
 
 
 
TERMINAL
STRENGTH
端子强度
 
 
A STATIC LOAD OF(500gf)SHALL BE APPLIED
TO THE TERMINAL FOR 15 SEC,IN ANY DIRECTON.
在排脚前端任意一个方向加500gf力度测试,时间为15秒.
MECHANICAL AND
ELECTRICAL
CHARACTERISTICS SHALL
BE SATISFIED WITHOUT
LOOSENESS OF ACTUATOU.
在端子中没有裂开,松动等异常,
满足于机械、电器性能。
 
 
5.3
 
DISPLACEMENT
OF ACTUATOR
(KNOB)
柄 强 度
 
A STATIC LOAD OF 10N(1Kgf)SHALL BE APPLIED
TO THE TOP OF THE ACTUATOR(KNOB)AND THEN
DESPLACEMENT SHALL BE MEASURED TO THE 
DIRECTION OF THE ARROW.
在柄的前端施加1Kgf的力度,位移应沿印记的方向上定.
THE LEVER SHALL HAVE
NO SERIOUS DEFORMATION
AND FUNCTION IS
NORMALLY.
柄部无严重变形,可以正常工作.

6、ENDURANCE CHARACTERISTICS (耐久性) :
ITEM 项目 TEST CONDITIONS 测试条件 PERFORMANCE 规格
 
 
 
 
 
6.1
 
 
 
LIFE
TEST
寿命试验
 
 
WITHOUT LOAD:
AN ACTUATOR SHALL BE SUBJECT TO
10,000 CYCLES AT A SPEED OF 15 TO 
18 CYCLES
FOR 1 MIN.
无负荷:
操作者以每分钟15—18回的频率作10,000
回之无负荷测试.
(1) CONTACT RESISTANCE(接触电阻)
200mΩ MAX.200毫欧以下.
(2) INSULATION RESISTANCE(绝缘电阻)
50MΩ MIN. 50兆欧以上.
(3) WITHSTAND VOLTAGE(耐电压)
AC 500V,1 MINUTE.AC 500V 1分钟
(4) OPERATING FORCE(作动力)
   ±30%INITIAL VALUE.
   变化范围初始值±30%
(5) WITHOUT DAMAGE TO PARTS
 ARCING OR BREAKDOWN ETC.
(测试后外表无损伤,并且满足机械性能)
 
 
6.2
 
SOLDERA-
BILITY
TEST
可焊性试验
 
THE TOP OF THE TERMINALS SHALL BE
DIPPED 2mm IN THE SOLDER BATH OF
260±5℃ FOR 3±0.5 SECONDS.
端子顶部被浸入锡焊池中2mm深,温度为
260±5℃,时间为3±0.5秒.
 
 
THE AREA OF SOLDERING
SHOULD BE OVER 75%
焊接面积要有75%以上.
 
 
 
 
6.3
 
 
 
RESISTANCE     
TO SOLDERING
HEAT TEST
耐焊性试验
 
(1)TEMPERATURE AND IMMERSING TIME
      温度及浸锡时间
  TEMPERATURE
温度(℃)
TIME
时间(S)
MANUAL 
SOLDERING
  手 焊
350±10 3±0.5
(2)IMMERSION DEPTH:
IMMERSION DEPTH UP TO THE SURFACE
 OF THE BOARD THICKNESS OF PRINTED
WIRING BOARD 1.6mm.
浸锡深度:
浸锡深度至基板(PCB)表面,基板厚度为1.6mm.
 
 
 
 
 
 
 
 
 
 
THERE SHALL BE NO
DEFORMATION OR CRACKS IN 
MOLDED PART.
外观无异常,满足于机械、电器性能。
 
 
 
6.4
 
 
COLD TEST
耐冷试验
 
THE SWITCH SHALL BE STORED AT A 
TEMPERATURE OF -25±3℃ FOR48HOURS. 
THEN THE SWITCH SHALL BE MAINTAINEDAT
STANDARD ATMOSPHERIC CONDITIONSFOR 
1 HOUR AFTER WHICH
 MEASUREMENTSHALL BE MADE.
放置在温度-25±3℃中48小时后,再将放置在常
温常濕的环境中1小时后进行测试.
 
 

ITEM 项目 TEST CONDITIONS 测试条件 PERFORMANCE 规格
 
 
 
 
6.5
 
 
 
HEAT TEST
耐热试验
 
THE SWITCH SHALL BE STORED AT A
TEMPERATURE OF 70±2℃ FOR 48 HOURS.
THEN THE SWITCH SHALL BE MAINTAINED AT
STANDARD ATMOSPHERIC CONDITIONS FOR 1
HOUR AFTER WHICH MEASUREMENT SHALL BE MADE.
放置在温度70±2℃中测试48小时后,再将放置在常温常濕的
环境中1小时后进行测试.
 
 
 
 
 
 
 
 
THERE SHALL BE NO
DEFORMATION OR CRACKS IN
MOLDED PART.
外观无异常,满足于机械、电器性能.
 
 
 
 
 
6.6
 
 
 
 
HUMIDITY
TEST
潮濕试验
 
THE SWITCH SHALL BE STORED ATA TEMPERATURE
OF 40±2℃ AND A HUMIFITY OF 90% TO 95%
FOR 96 HOURS.THEN THE SWITCH SHALL BE MAINTAINED 
AT STANDARD ATMOSPHERIC CONDITION FOR 1 HOUR AFTER
 WHICH MEASUREMENT SHALL BE MADE.
放置40±2℃的相对湿度为90%~95%环境中96小时后,再将放置在常温常濕的环境中1小时后进行测试.
 
 
 
 
 
 
 
 
6.7
 
 
 
 
 
STANDARD
ATMOSPHEIC
CONDITIONS
测试标准状态
 
UNLESS OTHERWISE SPECIFIED.
THE STANDARD RANGE OF ATMOSPHERIC
CONDITIONS FOR MAKING MEASUREMENTS
AND TESTS ARE AS FOLLOWS:
(1) AMBIENT HUMIDITY:5℃ TO 35℃
(2) RELATIVE HUMIDITY:45% TO 85%
(3) AIT PRESSURE :86Kpa TO 106Kpa
在没有指定的情况下测试温度、湿度、气压如下:
(1) 温度为5℃—35℃.
(2) 湿度为45%—85%.
(3) 气压为86Kpa—106Kpa.
 
 
 
 
 
 
6.8
 
PRACTICAL
TEMPERATURE
RANCE
使用温度范围
 
 
-16℃~+60℃.
在-16℃~+60℃温度内使用.
 
按键开关注意事项
1. 慎用化学品
拨动开关底板因使用了诸如聚碳酸酯等合成树脂,所以应避免将电位器暴露于氨、胺、碱溶液、苏烃、酮、酯、卤烃等化学物品浓烈气氛中。
2. 慎用助焊剂
焊锡时应避免使用水溶性助焊剂,否则将会对构成拨动开关的金属和其他材料产生不良影响。
3. 焊锡
布线设计和焊锡方法应避免导致,熔锡流到PC板上平面,这样会引起接触不良。
4. 低温工作
当产品是用于低温环境时,如寒带的汽车收音机或汽车音响等,本公司按客户要求提供手感舒适产品,请定货时加以说明。
5. 滑柄长度
长度越短越好(至少5mm)在滑柄的宽度A不变情形下,滑柄长度愈短,手感愈好,另出力点愈高,手感愈差。
6. 驱动臂
切勿使操作点远离滑柄中心线,基于同样理由,两者距离B越短越好。
东莞品赞电子科技有限公司:www.dg-switch.com,东莞按键开关生产厂家
联系我们 >
电话:0769-82388879
传真:0769-81888689
地址:东莞市滨海湾新区信鸿欧菲光科创中心2号厂房701室
扫码咨询
公安备案号 : 44190002003787   粤ICP备18078670号   G-Switch 东莞品赞电子
品赞电子专业生产高质量轻触开关、防水轻触开关、轻触按键开关、Type-c连接器、防水Type-c母座等!电话:0769-82388879
技术支持:恒点互联