

| G-Switch 东莞品赞电子科技有限公司www.dg-switch.com | |||||
|
SPECIFICATION 規格書 |
|||||
| Designation 品名: | Φ3.5 PHONE JACK | ||||
| Model No. 型 號: | |||||
| 1. Rating額定值: | DC 30V 0.5A | ||||
| 2. Operation temperature range 使用溫度範圍: | -20℃~+70℃ | ||||
| 3. Preservative temperature range 保存溫度範圍: |
|
||||
|
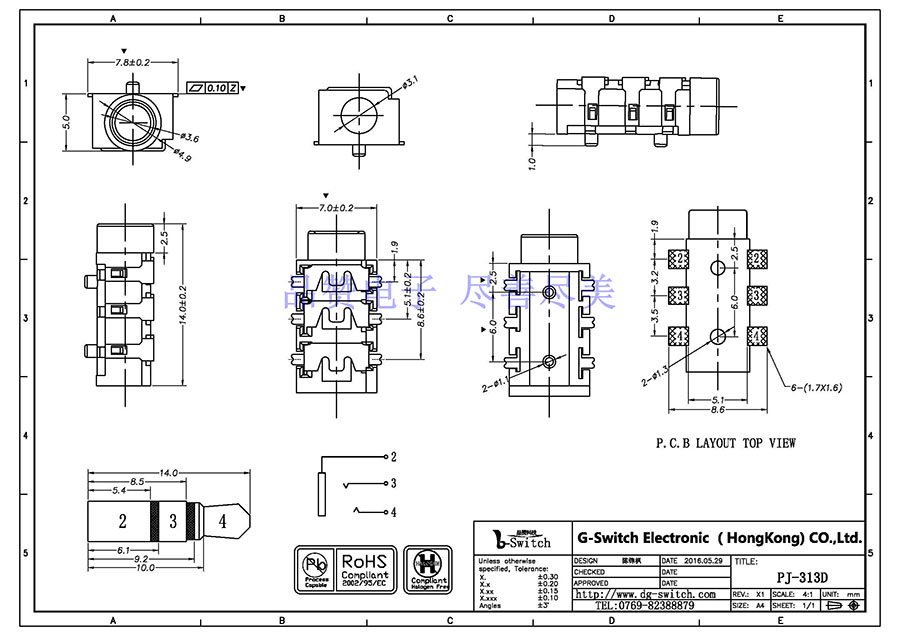
4. Construction dimension 結構尺寸: |
Apply to the appended drawing: 符合附加圖紙 |
||||
| Item 项目 | Test condition 測試條件 | Specification規格 | |||
| 5. Electrical characteristics電氣性能 | |||||
| 5A |
Contact Resistance 接觸阻抗 |
Being measured at 1KHz small current contact esistance meter. 在1KHZ小電流下測量. |
30mΩ max. 30毫歐以下. |
||
| 5B |
Insulation Resistance 絕緣阻抗 |
Measurements shall be made following application of DC 250V potential across terminals and across terminals and frame for 1 minute. 在端子之間和端子與殼之間加DC 250V條件下, 持續1分鐘測量. |
100MΩ min. 100兆歐以上. |
||
| 5C |
Withstand Voltage 耐電壓 |
AC 500V (50Hz or 60Hz) shall be applied across terminals and across terminals and frame for one minute. 在端子之間和端子與殼之間加AC 500V (50HZ或60HZ)條件下,持續1分鐘測量. |
There shall be no breakdown. 無擊穿現象出現. |
||
| 6. Mechanical characteristics 機械性能 | |||||
| 6A |
Insertion and Extraction force 插拔力 |
Being measure at across spring piece and across matching plug for ergometer. 用測力計在插頭與彈片之間進行測量. |
Insertion and extraction force: 3~25N 插拔力: 3~25N |
||
| 6B |
Terminal Strength 端子強度 |
A static force of 5N being applied in one direction on the tip of terminal for 10sec. 将5N之靜負荷施加於端子頂部的一個 方向持續10秒。 |
(1). Contact resistance: 30mΩmax. 接觸阻抗:30毫歐以下. (2). Insertion and withdraw force: 3~25N 插入力和拔出力:3~25N (3). Electrical characteristics and mechanical characteristics shall be satisfied. Without distinct damage. 机械,电气性能满足规定要求,无异常发生 |
||
| 7. Durability 耐久性 | |||||
| 7A |
Soldering test 可焊性試驗 |
The tip of the terminals shall be dipped 2mm in the solder bath at a temperature of 240±5℃ for 3±0.5sec. 端子頂部被浸入焊錫池2mm深,溫度 240±5℃,時間3±0.5秒。 |
A new uniform coating of solder shall cover a minimum of 95% of the surface being immersed. 浸入的部分95%以上表面將被錫覆蓋. |
||
| 7B |
Resistance to soldering heat 耐焊接熱 |
The jack shall be put into at the temperature of 250±5℃ in 5±1sec(Automatic soldering) or 380±5℃ in 3±1sec(Manual soldering) after which measurement shall be made. 将产品端子浸入锡炉, 250±5℃,5±1秒 (自动焊); 380±5℃,3±1秒(手工焊) |
(1). Contact resistance:30mΩmax. 接觸阻抗:30毫歐以下. (2). Insertion and withdraw force: 3~25N 插入力和拔出力:3~25N (3). Electrical characteristics and mechanical characteristics shall be satisfied. Without distinct damage. 机械,电气性能满足规定要求, 无异常发生 |
||
|
Remark 備 註 |
G-Switch 品赞电子(东莞)有限公司 www.dg-switch.com | ||||
| Designation 品名: | Φ3.5 PHONE JACK | |||
| Model No. 型 號: | ||||
| Item 项目 | Test condition 測試條件 | Specification規格 | ||
| 7C |
Life test 壽命試驗 |
5,000 cycles of operation at a rate of 20~30 cycles per minute with unloading. 無負載條件下,每分鐘20~30次的速度操作5,000次。 |
(1). Contact resistance:30mΩmax. 接觸阻抗:30毫歐以下. (2). Insertion and withdraw force: 3~25N 插入力和拔出力:3~25N (3). Electrical characteristics and mechanical characteristics shall be satisfied. Without distinct damage. 机械,电气性能满足规定要求,无异常发生 |
|
| 7D |
Heat test 耐熱試驗 |
At 85±2℃ for 96 hours, after test keep in normal condition for 30 minutes. 在85±2℃環境中放96小時,再放在 正常環境中30分鐘後進行測試. |
(1). Contact resistance: 30mΩmax. 接觸電阻:30毫歐以下 (2). Insulation resistance: 100MΩmin. 絕緣電阻: 100兆歐以上 (3). There shall be no sign of damage mechanically and electrically. 無任何迹象顯示機械及電器性能之損壞. |
|
| 7E |
Humidity test. 耐濕試驗 |
The condition of temperature 40±2℃ and humidity 90 95% for 96 hours, after test keep in normal condition for 30 minutes. 在溫度40±2℃,濕度90-95%環境中放96小時, 再放在正常環境中30分鐘後進行測試. |
||
| 7F |
Cold test 耐寒試驗 |
At –40±2℃ for 96 hours, after test keep in normal condition for 30 minutes. 在-40±2℃環境中放96小時,再置於 正常環境中30分鐘後進行測試. |
||
| 7G |
Salt spray test 噴霧試驗 |
At 5% Nacl liquor for 24 hours, after washing, keep in normal condition for 30 minutes. 5%的Nacl溶液中噴霧24小時,用水清洗並在 室溫下放置30分鐘. |
Without excessive Corrosion or crack in appearance 表面無明顯腐蝕或鍍層脫落現象 |
|
| 8. Standard condition 試驗、測定狀態 | ||||
|
Unless otherwise specified, the test and measurements shall be carried out as follows: Ambient temperature 溫度: 5℃~35℃ Relative humidity 相對濕度: 45~85% Air pressure 氣壓:86~106kPa(860~1060mbar) However if doubt arises on the decision based on the measured values under the above-mentioned conditions, the following condition shall be employed:但在對判定産生疑義時,按下述狀態實施: Ambient temperature 溫度: 20±2℃ Relative humidity 相對濕度: 65±5% Air pressure 氣壓:86~106kPa(860~1060mbar) |
||||
|
Remark 備 註 |
G-Switch 品赞电子(东莞)有限公司 www.dg-switch.com | |||