3.5贴片耳机插座PJ-327F

3.5贴片耳机插座PJ-327F

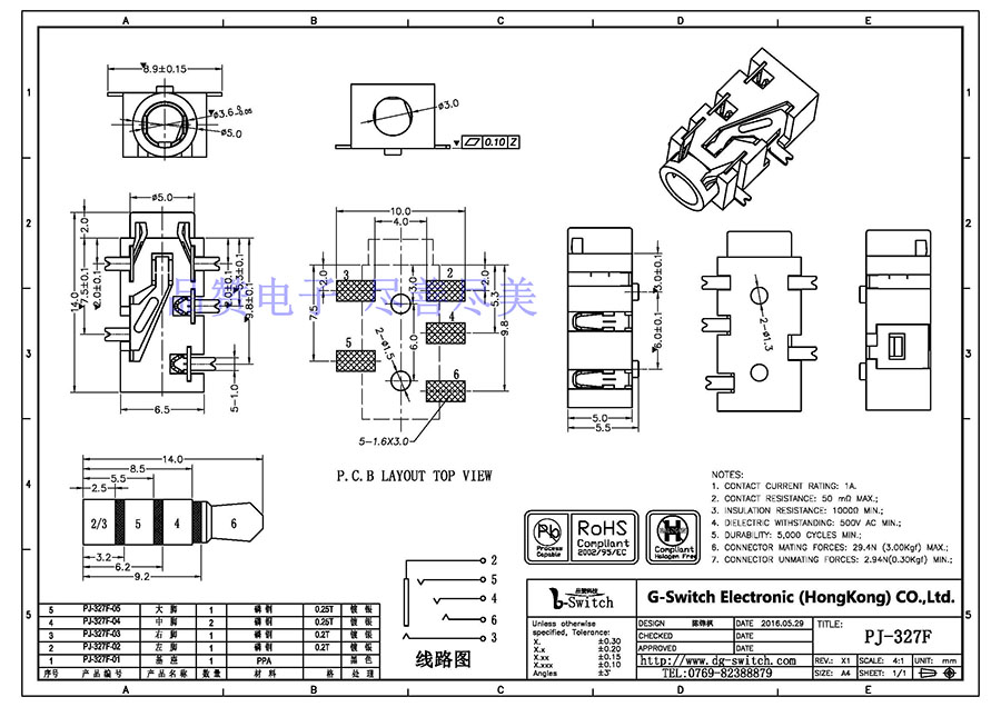
规格:14×6.5×5mm
型号:PJ-327F
包装:1000/卷
声明:有关于产品的规格、参数、寿命、工作温度、手感、防水等级等数据,只代表品赞电子内部的测试结果,如需详细测试方式,请联系品赞业务人员。

基本说明

产品描述:
产品名称:3.5贴片耳机插座
产品尺寸:
14×6.5×5mm
产品性能:四级贴片耳机插座
生产厂家:品赞/G-Switch
产品型号:PJ-327F
产品寿命:5000次

基本参数:
额定负荷 Rating :DC50V 0.5A 
接触电阻 Contact Resistance :50mΩMAX
绝缘阻抗 Insulation Resistance: 100MΩMIN
适用温度 Ambient Temper.Used: -25 ℃ to 85 ℃
耐高压 Withstand Voltage :AC 500V(50-60HZ) 1min
适用湿度 Ambient Humidety Used :85% RH
焊接温度 Soldering Temper :265±5°10s
插拔力 Operating Force: 3-30N


产品应用范围:
1、影音产品:MP3、MP4、DVD.音响;
2、数码产品:数码相机、数码摄像机等;
3、遥控器:车辆、点卷门、家庭防盗产品之遥控器;
4、通讯产品:手机、车载话机、电话机、楼宇设备、PDA等;
5、家用电器:电视机、微波炉、电饭煲、电风、电子人体秤、电子脂肪秤、电子厨房秤等;
6、安防产品:可视对讲机、监视器等;
7、玩具:电子玩具等;
8、电脑产品:摄像头、录音笔等;
9、健身器材:跑度机、按摩椅等;
10、医疗器材:血压计、体温计、医院呼叫系统等;
11、其他:验钞笔、雷射笔等。

尺寸图

产品说明

G-Switch 东莞品赞电子科技有限公司www.dg-switch.com
SPECIFICATION
規格書
Designation 品名: Φ3.5 PHONE JACK 
Model No. 型 號:  
1. Rating額定值: DC 30V 0.5A
2. Operation temperature range 使用溫度範圍: -20℃~+70℃
3. Preservative temperature range 保存溫度範圍:  
 
 
 
 
 
4. Construction dimension 
結構尺寸:
Apply to the appended drawing: 
符合附加圖紙
Item 项目 Test condition 測試條件 Specification規格
5. Electrical characteristics電氣性能
5A Contact Resistance
接觸阻抗
Being measured at 1KHz small current 
contact esistance meter.
在1KHZ小電流下測量.
30mΩ max.
30毫歐以下.
5B Insulation Resistance
絕緣阻抗
Measurements shall be made following
 application of DC
 250V potential across terminals and across
 terminals and frame for 1 minute.
在端子之間和端子與殼之間加DC 250V條件下,
持續1分鐘測量.
100MΩ min.
100兆歐以上.
5C Withstand Voltage
耐電壓
AC 500V (50Hz or 60Hz) shall be applied 
across terminals and across terminals
and frame for one minute.
在端子之間和端子與殼之間加AC 500V
(50HZ或60HZ)條件下,持續1分鐘測量.
There shall be no breakdown.
無擊穿現象出現.
6. Mechanical characteristics 機械性能
6A Insertion and
 Extraction force 
插拔力
Being measure at across spring piece
and across matching plug for ergometer.
用測力計在插頭與彈片之間進行測量.
Insertion and extraction force: 3~25N
插拔力: 3~25N
6B Terminal Strength
端子強度
A static force of 5N being applied in 
one direction on the tip of terminal 
for 10sec.
将5N之靜負荷施加於端子頂部的一個
方向持續10秒。
(1). Contact resistance: 30mΩmax.
接觸阻抗:30毫歐以下.
(2). Insertion and withdraw force: 3~25N
插入力和拔出力:3~25N
(3). Electrical characteristics and 
mechanical characteristics shall
 be satisfied. 
Without distinct damage.
机械,电气性能满足规定要求,无异常发生
7. Durability 耐久性
7A Soldering test
可焊性試驗
The tip of the terminals shall be dipped
2mm in the solder bath at a temperature
of  240±5℃ for 3±0.5sec.
端子頂部被浸入焊錫池2mm深,溫度
240±5℃,時間3±0.5秒。
A new uniform coating of solder 
shall cover a minimum of 95% 
of the surface being immersed.
浸入的部分95%以上表面將被錫覆蓋.
7B Resistance to
soldering heat
耐焊接熱
The jack shall be put into at the temperature
of 250±5℃ in 5±1sec(Automatic soldering) 
or 380±5℃ in 3±1sec(Manual soldering)
 after which measurement shall be made.
将产品端子浸入锡炉, 250±5℃,5±1秒
(自动焊);
380±5℃,3±1秒(手工焊)
(1). Contact resistance:30mΩmax.
接觸阻抗:30毫歐以下.
(2). Insertion and withdraw force: 3~25N
插入力和拔出力:3~25N
(3). Electrical characteristics and 
mechanical characteristics shall 
be satisfied. 
Without distinct damage.
机械,电气性能满足规定要求,
无异常发生
Remark
備 註
G-Switch 东莞品赞电子科技有限公司 www.dg-switch.com
Designation 品名: Φ3.5 PHONE JACK 
Model No. 型 號:  
Item 项目 Test condition 測試條件 Specification規格
7C Life test
壽命試驗
5,000 cycles of operation at a rate of 20~30 
cycles per minute with unloading.
 
無負載條件下,每分鐘20~30次的速度操作5,000次。
(1). Contact resistance:30mΩmax.
接觸阻抗:30毫歐以下.
(2). Insertion and withdraw force: 3~25N
插入力和拔出力:3~25N
(3). Electrical characteristics and 
mechanical characteristics shall be satisfied.
 Without distinct damage.
机械,电气性能满足规定要求,无异常发生
7D Heat test
耐熱試驗
At 85±2℃ for 96 hours, after test keep in
 normal condition for 30 minutes.
在85±2℃環境中放96小時,再放在
正常環境中30分鐘後進行測試.
(1). Contact resistance: 30mΩmax.
接觸電阻:30毫歐以下
(2). Insulation resistance: 100MΩmin.
絕緣電阻: 100兆歐以上
(3). There shall be no sign of damage
 mechanically and electrically. 
無任何迹象顯示機械及電器性能之損壞.
7E Humidity test.
耐濕試驗
The condition of temperature 40±2℃
and humidity 90 95% for 96 hours,
after test keep in normal condition
for 30 minutes.
在溫度40±2℃,濕度90-95%環境中放96小時,
再放在正常環境中30分鐘後進行測試.
7F Cold test
耐寒試驗
At –40±2℃ for 96 hours, after test keep 
in normal condition for 30 minutes.
在-40±2℃環境中放96小時,再置於
正常環境中30分鐘後進行測試.
7G Salt spray test
噴霧試驗
At 5% Nacl liquor for 24 hours, after washing, 
keep in normal condition for 30 minutes.
5%的Nacl溶液中噴霧24小時,用水清洗並在
室溫下放置30分鐘.
Without excessive Corrosion or crack
in appearance
表面無明顯腐蝕或鍍層脫落現象
8. Standard condition 試驗、測定狀態
 
Unless otherwise specified, the test and measurements shall be carried out as follows:
Ambient temperature 溫度: 5℃~35℃
Relative humidity 相對濕度: 45~85%
Air pressure 氣壓:86~106kPa(860~1060mbar)
However if doubt arises on the decision based on the measured values
 under the above-mentioned conditions,
the following condition 
shall be employed:但在對判定産生疑義時,按下述狀態實施:
Ambient temperature 溫度: 20±2℃
Relative humidity 相對濕度: 65±5%
Air pressure 氣壓:86~106kPa(860~1060mbar)
 
Remark
備 註
 G-Switch 东莞品赞电子科技有限公司 www.dg-switch.com

联系我们 >
电话:0769-82388879
传真:0769-81888689
地址:东莞市滨海湾新区信鸿欧菲光科创中心2号厂房701室
扫码咨询
公安备案号 : 44190002003787   粤ICP备18078670号   G-Switch 东莞品赞电子
品赞电子专业生产高质量轻触开关、防水轻触开关、轻触按键开关、Type-c连接器、防水Type-c母座等!电话:0769-82388879
技术支持:恒点互联