常闭检测开关6×4×8.6mm

常闭检测开关6×4×8.6mm

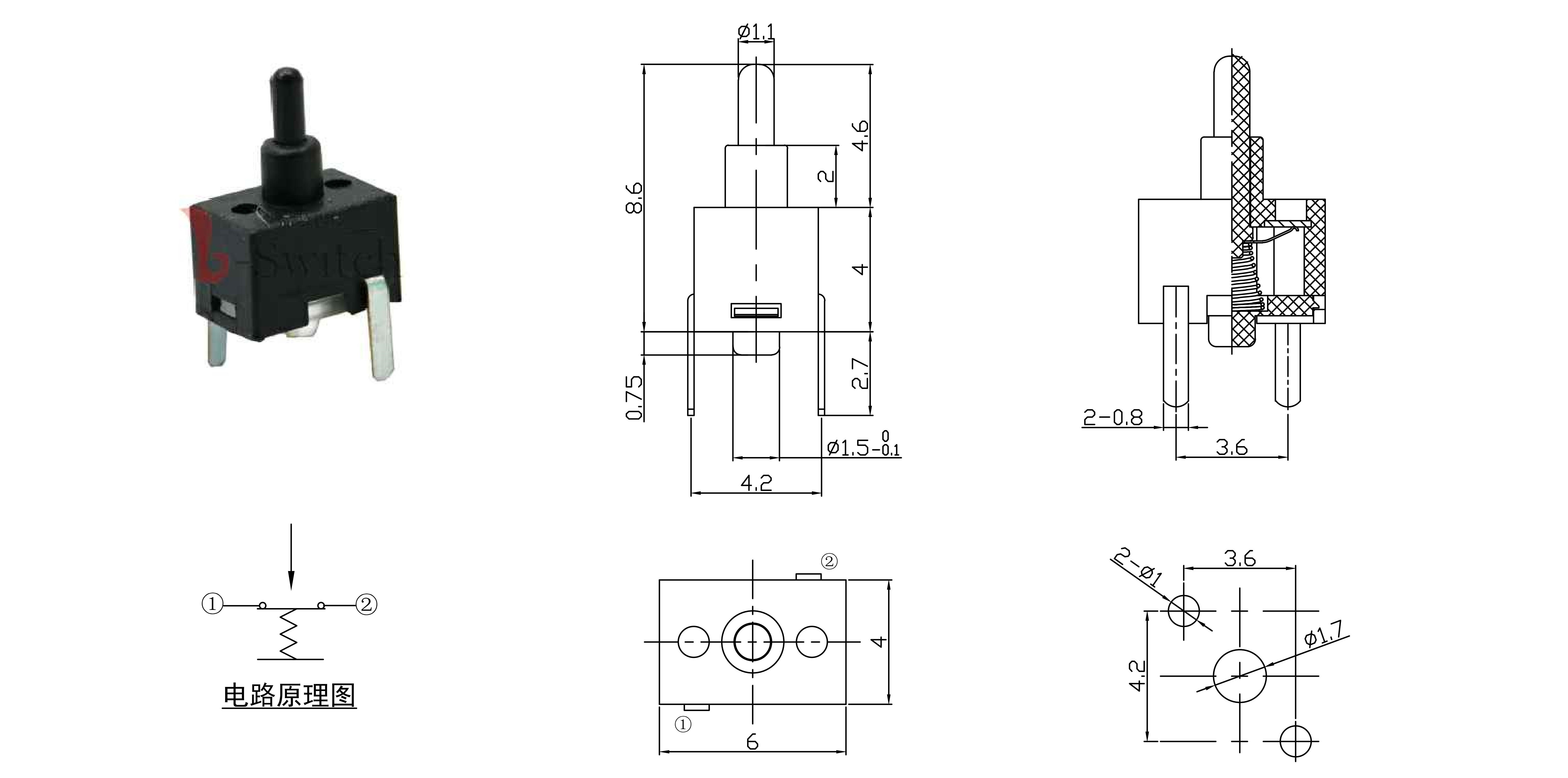
规格:6×4×8.6mm
型号:GT-MPU112-H086-L05
包装:1000/袋
声明:有关于产品的规格、参数、寿命、工作温度、手感、防水等级等数据,只代表品赞电子内部的测试结果,如需详细测试方式,请联系品赞业务人员。

基本说明

Specification
FUNCTION: Momentary action
CONTACT ARRANGEMENT: 1P2T SLIDE SWITCH
 
Electrical
ELECTRICAL SPECIFICATIONS:10mA/DC5V
CONTACT RESISTANCE:≤50mΩ
INSULATION RESISTANCE(IR):≥100MΩ  DC100V
COMPRESSIVE STRENGTH (WV):AC100V 1MINUTE
STORAGE HUMIDITY:-40˚C ~+70°C
ELECTRICAL LIFE:10,000

MECHANICAL LIFE:100,000

TRAVEL:0.3~0.8mm
 
Environmental
OPERATING TEMPERATURE: -10˚C ~+60°C

Molde code:


尺寸图

产品说明

6.PERFORMANCE性能
6.1 Electrical电气
Item项目 Test Condition测试条件 Requirements要求
6.1.1.
Contact Resistance
接触电阻
Applying astatic load twice the actuating force to the
center of the stem,measurements shall be made
with a  1 kHz small-current contact resistance meter.
用两倍的动作力作静负载施加于按钮的中心,并用1千赫
小电流接触电阻仪测量
100 m ohm max.
6.1.2.
Insulation Resistance
绝缘电阻
Measurements shall be made following application of 
DC100V potintial across terminals and across terminals 
and frame for one minute.
在端子与端子之间,端子与外壳之间施加DC100V,一分钟
100 M ohm min.
6.1.3.
Dielectric witstanding 
voltage
电气耐压
AC250V(50Hz or60Hz) shall be applied across terminals
and across terminals and frame for one minute.
 在端子与端子之间,端子与外壳之间施加AC250V(50HZ-60HZ)
There shall be no
 breakdown.
没有击穿
6.1.4.
Bounce
抖动
Lightly striking the center of the stem at a rate encountered
 in normal use (3 to 4 operations per sec.),
Bounce shall be tested at “ON”and “OFF”. 
在正常使用中(以每秒3-4次周期)轻轻地在手柄中心加力,在通
与断瞬间测试抖动

 
 
     5  m sec max.


6.2Mechanical机械特性
 
Item项目 Test Condition 试验条件 Requirements 规 格
6.2.1.
Actuating Force
动作力
Placing the switch such that the direction of switch 
operation is vertical and then gradually 
increasing the load applied to the center of 
the stem, the maximum load required for 
the stem to come to a stop shall be measured.
开关的动作方向为垂直放置开关向推柄中心逐渐地
增加负荷直到推柄停止时所测量的最大负荷
30±  20  gf 

 
6.2.2.
Travel
行程
Placing the switch such that the direction of switch
 operation is vertical and then applying
 a static load twice the actuating force to the 
center of the stem,the travel distance for the
 stem to come to a stop shall be measured. 
开关的动作方向为垂直放置开关,
并以双倍动作力的静负荷作用推柄中心,测量推柄从
开始到停止的行程距离
 0.3 ± 0.15mm
6.2.3.
Return Force
返回力
The sample switch is installed such that the
 direction of switch operation is vertical and,
upon depression of the stem in its center the
 whole travel distance ,the force of the
 stem to return to its free position shall be measured.
 开关的动作方向为垂直放置开关,
在已有行程的推柄中心向上减小压力,推柄回到自由位置
时所测量到的力
  45  gf  min
6.2.4.
Stop Strength
静止强度
Placing the switch such that the direction of 
switch operation is vertical,a static load of  
 3 kgf shall be applied in the direction of 
stem operation for a period of 60 seconds. 
开关的动作方向为垂直放置开关,在推柄动作方向施加
3KG的静负荷,60秒时间
There shall be no sign of damage 
mechanically and electrically.
无机械的和电气的损伤迹象
6.2.5.
Stem Strength
推柄的强度
Placing the switch such that the direction of 
switch operation is vertical,
 the maximum force to withstand a 
pull applied oppsite to the direction of stem operation
shall be measured. 
开关的动作方向为垂直放置开关,
从推柄动作方向反方向施加拉力所测量到的最大承受力
              3   kgf

6.3Environmental环境
Item项目 Test Condition测试条件 Requirements要求
6.3.1.
Resistance to Low 
Temperatures
耐低温
Following the test set forth below the sample shall be
left in normal temperature and humidity conditions for
one hour before measurements are made:
样品按下列条件进行耐低温试验,测试前在正常温度和湿
度条件下放置1小时
  1. Temperature:  -30±2℃      温  度
  2.       Time:  96 hours       时  间
  3. Water drops shall be removed.  擦除水珠
Item 6.1
Item 6. 2.1
Item 6.2.2
 
6.3.2.
Heat Resistance
耐热
 
 
Following the test set forth below the sample shall
be left in normal temperature and humidity conditions
for one hour before measurements are made: 
样品按下列条件进行耐热试验,测试前在正常温度和湿度
条件下放置1小时
(1)Temperature:  80±2℃  温  度
(2)      Time:  96 hours  时  间
Item 6.1
Item 6. 2.1
Item 6.2.2
 
6.3.3.
Moisture 
Resistance
耐潮湿
 
 
 
Following the test set forth below the sample shall be
left in normal temperature and humidity conditions for 
one hour before measurements are made: 
样品按下列条件进行耐潮湿试验,测试前在正常温度和湿度
条件下放置1小时
  1.     Temperature:  60±2℃   温度
  2. Relative humidity:  90 to 95% 相对湿度
  3.           Time:  96 hours   时 间
  4. Water drops shall be removed.  擦除水珠
Contact resistance:
500 m ohm max接触电阻
Insulation resistance 
10 M ohm min. 
绝缘电阻
Item 6.1.3
Item 6.2.1
Item 6.2.2

6.3Environmental环境
Item项目 Test Condition测试条件 Requirements要求
6.3.1.
Resistance to Low 
Temperatures
耐低温
Following the test set forth below the
 sample shall be left in normal 
temperature and humidity conditions
 for one hour before measurements are made:
样品按下列条件进行耐低温试验,测试前在正常温度和湿度
条件下放置1小时
(1) Temperature:  -30±2℃      温  度
(2)       Time:  96 hours       时  间
(3) Water drops shall be removed.  擦除水珠
Item 6.1
Item 6. 2.1
Item 6.2.2
 
6.3.2.
Heat Resistance
耐热
 
 
Following the test set forth below the sample shall
be left in normal temperature and humidity conditions
 for one hour before measurements are made:
样品按下列条件进行耐热试验,测试前在正常温度和湿度
条件下放置1小时
(1)Temperature:  80±2℃  温  度
(2)      Time:  96 hours  时  间
Item 6.1
Item 6. 2.1
Item 6.2.2
 
6.3.3.
Moisture 
Resistance
耐潮湿
 
 
 
Following the test set forth below the sample 
shall be left in normal temperature and humidity
conditions for one hour before measurements
are made: 
样品按下列条件进行耐潮湿试验,测试前在正常温度
和湿度条件下放置1小时
(1)     Temperature:  60±2℃   温度
(2) Relative humidity:  90 to 95% 相对湿度
(3)           Time:  96 hours   时 间
(4) Water drops shall be removed.  擦除水珠
Contact resistance:500 m ohm max接触电阻
Insulation resistance 10 M ohm min. 绝缘电阻
Item 6.1.3
Item 6.2.1
Item 6.2.2

6.4Endurance耐久性
Item项目 Test Condition测试条件 Requirements要求
6.4.1.
Operating Life
动作寿命
Measurements shall be made following the test set forth below:
按下列条件
进行寿命试验
(1)DC 5V 5mA resistive load.  DC 5V 5mA 阻性负载
(2)Rate of operation:2 to 3 operations per second 
     动作频率:2-3次/每秒
(3)Depression:  180   gf 减压力
(4)Cycles of operation:  3×104 cycles  动作次数: 3×104次
Contact resistance: 1 Ω max. 
接触电阻
Insulation resistance :  
10  M ohm min. 
绝缘电阻
Actuating force: 动作力
+  30 %or-  30%of 
initial force.  ±30%初始动作力
Item 6.1.3
tem 6. 2.2
 
6.4.2.
Vibration
Resistance
耐振动
 
 
 
Measurements shall be made following the test set forth below: 
按下列条件进行抗振动试验
(1)Range of oscillation:10 to 55Hz 频率范围
(2)Amplitude,pk-to-pk:1.5 mm    振幅: 峰-峰1.5mm
(3)Cycle of sweep: 10-55-10Hz in one minute,approx.
扫描周期: 10-55-10Hz约一分钟内
(4)Mode of sweep :Logarithmically sweep or uniform sweep.  
扫描方式:对数扫描式恒定扫描
(1) Direction of oscillation: 振动方向
Three mutually perpendicular directions,including the 
directionof stem travel. 
3个相互垂直方向,包括推柄行程方向
(2) Duration of testing: 持续时间
2 hours each ,for a total of 6hours.每方向2小时.共6小时
 
Item 6.1
Item 6.2.1
Item 6.2.2
 
6.4.3.
Impact Shock
Resistance
抗冲击
Measurements shall be made following the test 
set forth below: 
按下列条件进行冲击试验
(1)Acceleration:80g 加速度
(2)Cycles of test :3 cycles each in 6directions, for a
 total of 18cycles 
试验次数:每个方向3次,6个方向共18次
         



 
 
Item 6.1
Item 6.2.1
Item 6.2.2

7. Environmental  Endurance 环境耐久性 
Item项目 Test Condition测试条件 Requirements要求
7.1.
High Temperature 
Cycling
高温循环
Foeeowing ten cycles of high temperature test 
.Saupee shall be Place in
 Normae temperature and humidity 
Conditious for one hour before
 measurements are made. During this test, 
water drops shall be removed.
样品按下列条件进行高低温循环试验,
测试前在正常温度和温度条件下放置1小时,除去水珠
(1)    Temperature(温度):-30°~80℃
(2)    Cycling(周期):Ten cycles (10个周期)
 
 
 
Item 6.1
Item 6. 2.1
Item 6.2.2
7.2
Moisture 
Resistance
耐潮湿
 
 
 
Following the test set forth below the sample
shall be left in normal temperature and humidity
conditions for one hourbefore measurements
are made: 
样品按下列条件进行耐潮湿试验,
测试前在正常温度和湿度条件下放置1小时
(1)    Temperature: 85±2℃   温度
(2)Relative humidity:  80 to 85% 相对湿度
(3)          Time: 500 hours   时 间
(3) Water drops shall be removed.  擦除水珠
Contact resistance:50 m ohm max
接触电阻
Insulation resistance 10 M ohm min. 
绝缘电阻
Item 6.1.3
Item 6.2.1
Item 6.2.2
 
 
 

8.Use  Endurance 使用耐久性
Item项目 Test Condition测试条件 Requirements要求
8.1
Solderability
焊接性
Oven Temperature:235℃±5℃,Time: 5S±1S
锡炉温度:235℃±5℃  时间:5秒±1秒
         
Tin Area:90%
焊接面积90%以上
 
8.2
patience high temperature
焊接耐热性
 
Preheat: Temperature on the copper foil surface
 should reach 180℃, 2±0.3 minutes after
The P.W.B entered into the soldering equipment
预热:在P.W.B(印刷线路板)进入焊接设备后,
2±0.3分钟内铜箔表面要达到180℃
Soldering heat: Temperature on the copper 
foil surface should reach the peak temperature of
260℃ within 5 seconds after the 
P.B.W entered into soldering heat zone.
焊接温度: 在P.W.B(印刷线路板)进入焊接温区5秒内,
铜箔表面达到峰值温度260℃
 
 
表面无起泡,变型
Surface of plastics 
don’t frothed And 
formed

检测开关注意事项:
9. Other precautions其他注意事项
(1) Following the soldering process,do not try to clean the switch with a solvent or the like.
进行焊接过程中,不可以用溶剂或类似品清洗开关
(2) Safeguard the switch assembly against flux penetration from its topside.
防止助焊剂从开关的顶端渗入
(3) Please have the products keep in close status and the storage time is 90 days guaranty after
       delivering the goods at most.
交货后保证开关处于封密状态并库存时间90天以上
品赞电子(东莞)有限公司  www.dg-switch.com
联系我们 >
电话:0769-82388879
传真:0769-81888689
地址:东莞市滨海湾新区信鸿欧菲光科创中心2号厂房701室
扫码咨询
公安备案号 : 44190002003787   粤ICP备18078670号   G-Switch 东莞品赞电子
品赞电子专业生产高质量轻触开关、防水轻触开关、轻触按键开关、Type-c连接器、防水Type-c母座等!电话:0769-82388879
技术支持:恒点互联