

| 序号 | 型号 | 规格 | PDF下载 |
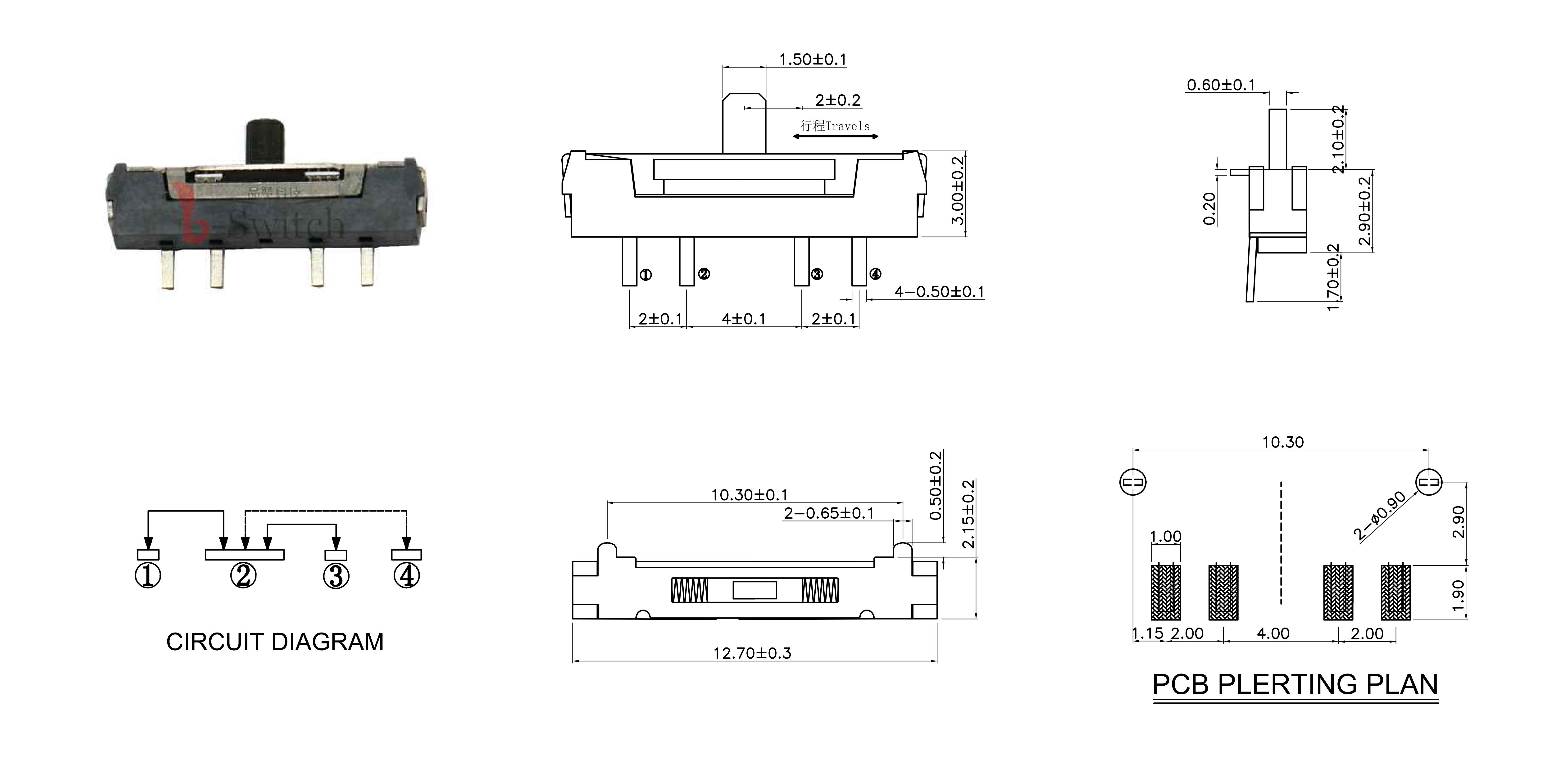
| 1 | MK-24C02-G021 | 双复位12.68×3.05×2.1mm |
![]() |

| ITEM 项目 | TEST CONDITIONS 测试条件 | PERFORMANCE 规格 | ||
|
4.1 |
CONTACT RESISTANCE 接触电阻 |
MEASURED AT 1KHz SMALL CURRENT(100mA OR LESS) 在1KHz微小电流(100mA以下)测试. |
100mΩMAX. 100毫欧以下 |
|
|
4.2 |
INSULATION RESISTANCE 绝缘电阻 |
APPLY A VOLTAGE OF 500V DC FOR 1 MIN. TO FOLLOWING PORTIONS AFTER WHICH MEASUREMENT SHALL BE MADE. (1)BETWEEN BODY AND TERMINAL。 (2)BETWEEN TERMINALS。 输入500V DC 电压1分钟,按以下接触方法测试: (1)排脚相互之间。 (2)排脚与外壳之间。 |
100MΩMIN. 100兆欧以上. |
|
|
4.3 |
DIELECTRIC STRENGTH 耐电压 |
AC 500V rms(50-60Hz)FOR 1 MIN TRIP CURRENT:0.5mA (1)BETWEEN TERMINALS. (2)BETWEEN INDIVIDUAL TERMINAL AND FRAME. 输入AC 500V(50-60Hz)电压,1分钟感度电流为0.5mA, 按以下接触方法测试: (1)排脚相互之间 (2)排脚与外壳之间. |
WITHOUT DAMAGETOPARTS ARCING OR BREAKDOWN ETC 没有绝缘破坏等异常 |
|
| 5、MECHANICAL CHARACTERISTICS (机械性能规格) | ||||
| ITEM 项目 | TEST CONDITIONS 测试条件 | PERFORMANCE 规格 | ||
|
5.1 |
OPERATING FORCE 作动力 |
MEASUREMENT SHALL BE MADE AT THE NEAREST POINT OF THE COMPONENTOR AT THE POINT 3mm FROM THE TIP OF THE ACTUATOR(KNOB). 在距离胶柄前端3mm作测定点. |
300gf±100gf |
|
|
5.2 |
TERMINAL STRENGTH 端子强度 |
A STATIC LOAD OF(500gf)SHALL BE APPLIED TO THE TERMINAL FOR 15 SEC,IN ANY DIRECTON. 在排脚前端任意一个方向加500gf力度测试,时间为15秒. |
MECHANICAL AND ELECTRICAL CHARACTERISTICS SHALL BE SATISFIED WITHOUT LOOSENESS OF ACTUATOU. 在端子中没有裂开,松动等异常, 满足于机械、电器性能。 |
|
|
5.3 |
DISPLACEMENT OF ACTUATOR (KNOB) 柄 强 度 |
A STATIC LOAD OF 10N(1Kgf)SHALL BE APPLIED TO THE TOP OF THE ACTUATOR(KNOB)AND THEN DESPLACEMENT SHALL BE MEASURED TO THE DIRECTION OF THE ARROW. 在柄的前端施加1Kgf的力度,位移应沿印记的方向上定. |
THE LEVER SHALL HAVE NO SERIOUS DEFORMATION AND FUNCTION IS NORMALLY. 柄部无严重变形,可以正常工作. |
|
| 6、ENDURANCE CHARACTERISTICS (耐久性) : | |||||||||
| ITEM 项目 | TEST CONDITIONS 测试条件 | PERFORMANCE 规格 | |||||||
|
6.1 |
LIFE TEST 寿命试验 |
WITHOUT LOAD: AN ACTUATOR SHALL BE SUBJECT TO 10,000 CYCLES AT A SPEED OF 15 TO 18 CYCLES FOR 1 MIN. 无负荷: 操作者以每分钟15—18回的频率作10,000 回之无负荷测试. |
(1) CONTACT RESISTANCE(接触电阻) 200mΩ MAX.200毫欧以下. (2) INSULATION RESISTANCE(绝缘电阻) 50MΩ MIN. 50兆欧以上. (3) WITHSTAND VOLTAGE(耐电压) AC 500V,1 MINUTE.AC 500V 1分钟 (4) OPERATING FORCE(作动力) ±30%INITIAL VALUE. 变化范围初始值±30% (5) WITHOUT DAMAGE TO PARTS ARCING OR BREAKDOWN ETC. (测试后外表无损伤,并且满足机械性能) |
||||||
|
6.2 |
SOLDERA- BILITY TEST 可焊性试验 |
THE TOP OF THE TERMINALS SHALL BE DIPPED 2mm IN THE SOLDER BATH OF 260±5℃ FOR 3±0.5 SECONDS. 端子顶部被浸入锡焊池中2mm深,温度为 260±5℃,时间为3±0.5秒. |
THE AREA OF SOLDERING SHOULD BE OVER 75% 焊接面积要有75%以上. |
||||||
|
6.3 |
RESISTANCE TO SOLDERING HEAT TEST 耐焊性试验 |
(1)TEMPERATURE AND IMMERSING TIME 温度及浸锡时间
IMMERSION DEPTH UP TO THE SURFACE OF THE BOARD THICKNESS OF PRINTED WIRING BOARD 1.6mm. 浸锡深度: 浸锡深度至基板(PCB)表面,基板厚度为1.6mm. |
THERE SHALL BE NO DEFORMATION OR CRACKS IN MOLDED PART. 外观无异常,满足于机械、电器性能。 |
||||||
|
6.4 |
COLD TEST 耐冷试验 |
THE SWITCH SHALL BE STORED AT A TEMPERATURE OF -25±3℃ FOR48HOURS. THEN THE SWITCH SHALL BE MAINTAINEDAT STANDARD ATMOSPHERIC CONDITIONSFOR 1 HOUR AFTER WHICH MEASUREMENTSHALL BE MADE. 放置在温度-25±3℃中48小时后,再将放置在常 温常濕的环境中1小时后进行测试. |
|||||||
| ITEM 项目 | TEST CONDITIONS 测试条件 | PERFORMANCE 规格 | |
|
6.5 |
HEAT TEST 耐热试验 |
THE SWITCH SHALL BE STORED AT A TEMPERATURE OF 70±2℃ FOR 48 HOURS. THEN THE SWITCH SHALL BE MAINTAINED AT STANDARD ATMOSPHERIC CONDITIONS FOR 1 HOUR AFTER WHICH MEASUREMENT SHALL BE MADE. 放置在温度70±2℃中测试48小时后,再将放置在常温常濕的 环境中1小时后进行测试. |
THERE SHALL BE NO DEFORMATION OR CRACKS IN MOLDED PART. 外观无异常,满足于机械、电器性能. |
|
6.6 |
HUMIDITY TEST 潮濕试验 |
THE SWITCH SHALL BE STORED ATA TEMPERATURE OF 40±2℃ AND A HUMIFITY OF 90% TO 95% FOR 96 HOURS.THEN THE SWITCH SHALL BE MAINTAINED AT STANDARD ATMOSPHERIC CONDITION FOR 1 HOUR AFTER WHICH MEASUREMENT SHALL BE MADE. 放置40±2℃的相对湿度为90%~95%环境中96小时后,再将放置在常温常濕的环境中1小时后进行测试. |
|
|
6.7 |
STANDARD ATMOSPHEIC CONDITIONS 测试标准状态 |
UNLESS OTHERWISE SPECIFIED. THE STANDARD RANGE OF ATMOSPHERIC CONDITIONS FOR MAKING MEASUREMENTS AND TESTS ARE AS FOLLOWS: (1) AMBIENT HUMIDITY:5℃ TO 35℃ (2) RELATIVE HUMIDITY:45% TO 85% (3) AIT PRESSURE :86Kpa TO 106Kpa 在没有指定的情况下测试温度、湿度、气压如下: (1) 温度为5℃—35℃. (2) 湿度为45%—85%. (3) 气压为86Kpa—106Kpa. |
|
|
6.8 |
PRACTICAL TEMPERATURE RANCE 使用温度范围 |
-16℃~+60℃. 在-16℃~+60℃温度内使用. |
|