沉板24pin Type c母座
规格:8.94×3.16×Lmm
型号:GT-USB-7007X
包装:900/盘
沉板双贴24pin type c母座:沉板0.8/1.0/1.1/1.6mm;L7.9/8.0/8.93mm;USB3.1 GEN2/USB4.0版本。
声明:有关于产品的规格、参数、寿命、工作温度、手感、防水等级等数据,只代表品赞电子内部的测试结果,如需详细测试方式,请联系品赞业务人员。
Specification
FUNCTION: CONN USB C TYPE 24PIN SMD
CONTACT ARRANGEMENT:USB C GEN2/USB4.0
Electrical
MAXIMUM VOLTAGE: 5A FOR VBUS:
1.25A FOR GND PIN,0.25A FOR OTHER.
MAXIMUM CURRENT DC: 20V MAX
DIELECTRIC STRENGTH: 250 VA C (1mn)
CONTACT RESISTANCE: ≤ 40 mΩ
INSULATION RESISTANCE: ≥ 100 MΩ
Mechanical
INSERTION:5-20N
EXTRACTION:8-20N AFTER TEST
DURABILITY:10,000 CYCLES
Environmental
OPERATING TEMPERATURE: -40˚C to 85˚C
Molde Code:
|
NO. |
Molde Code |
Specifications |
PDF |
3D下载 |
|
1 |
GT-USB-7007A |
24pin,双贴沉板0.8mm,CH0.78mm L7.9mm无弹,10Gbp/s |
 |
 |
|
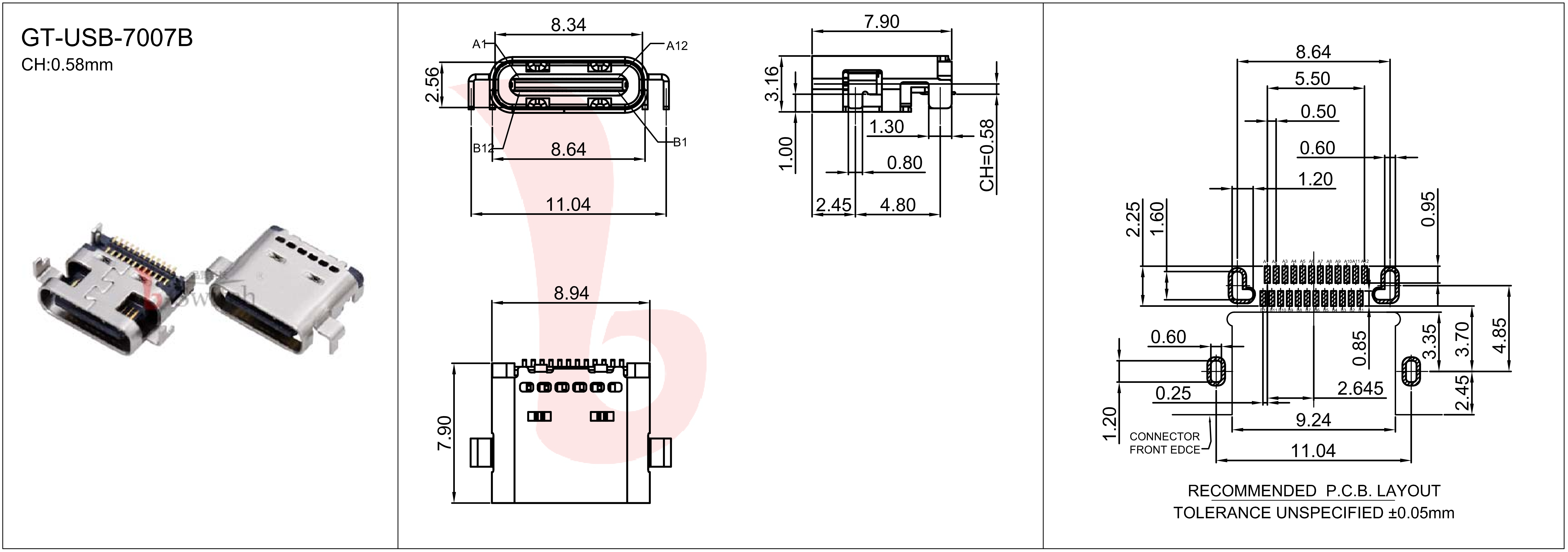
2 |
GT-USB-7007B |
24pin,双贴沉板1.0mm,CH0.58mm L7.9mm无弹,10Gbp/s |
 |
 |
|
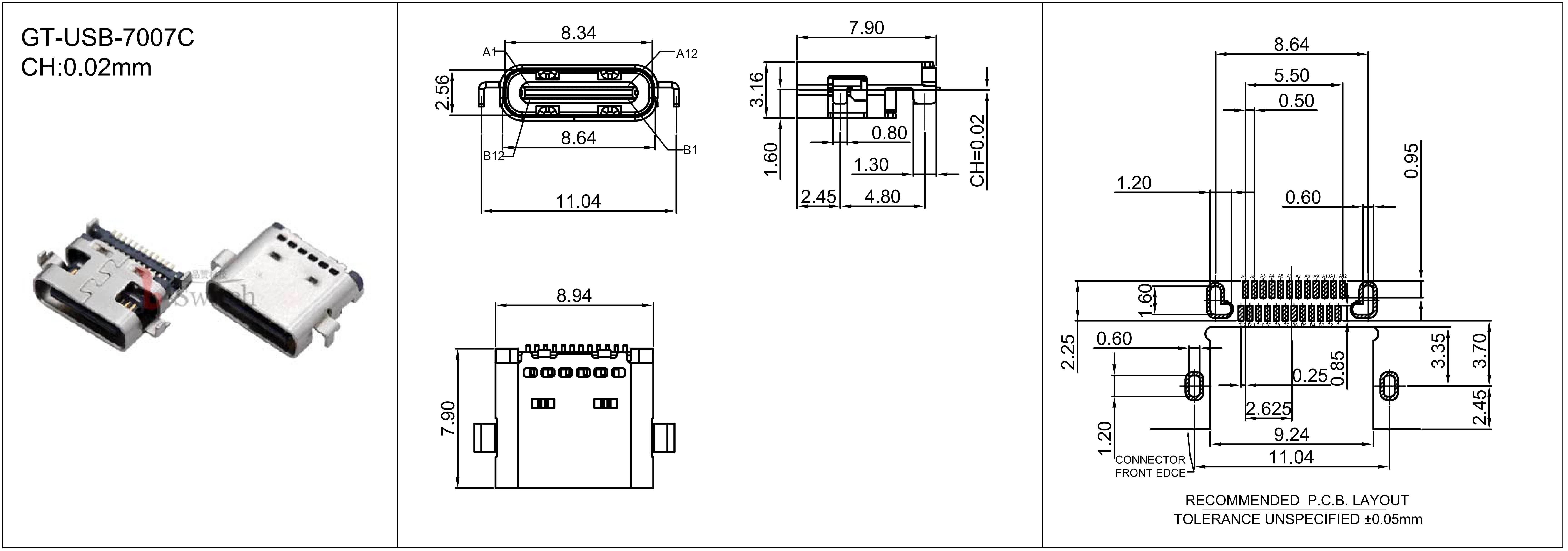
3 |
GT-USB-7007C |
24pin,双贴沉板1.6mm,CH0.02mm L7.9mm无弹,10Gbp/s |
 |
 |
|
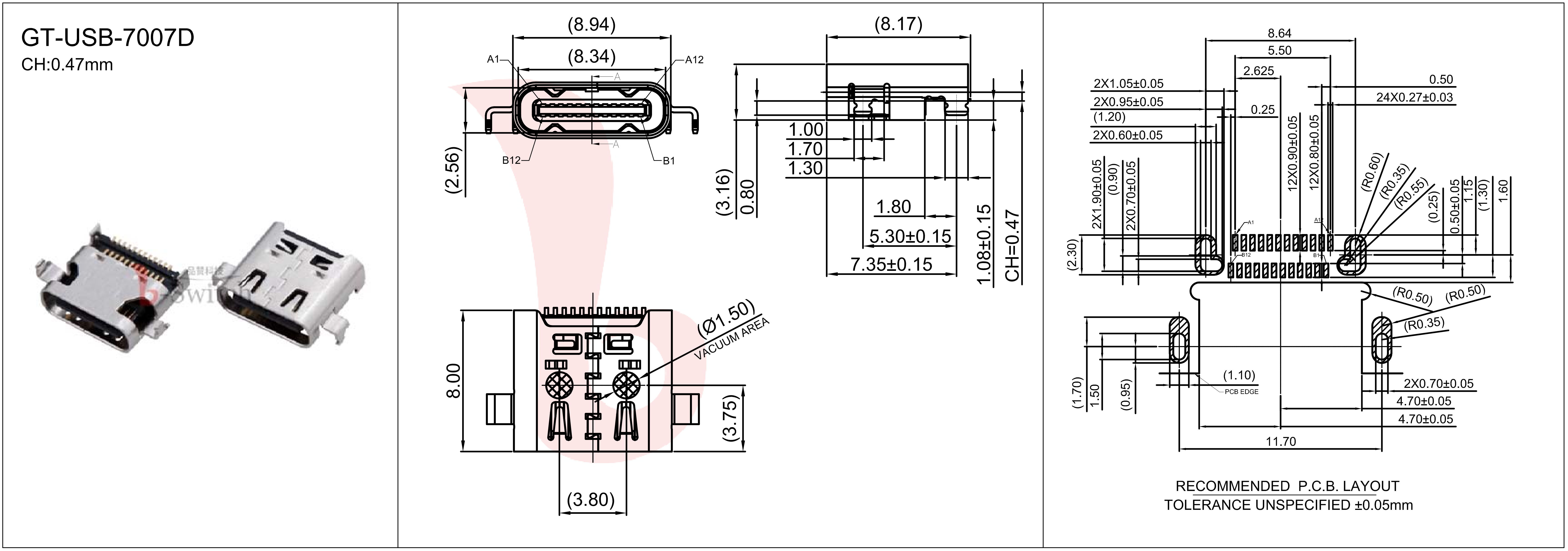
4 |
GT-USB-7007D |
24pin,双贴沉板1.1mm,CH0.5mm L8.0mm带弹,40Gbp/s |
 |
 |
|
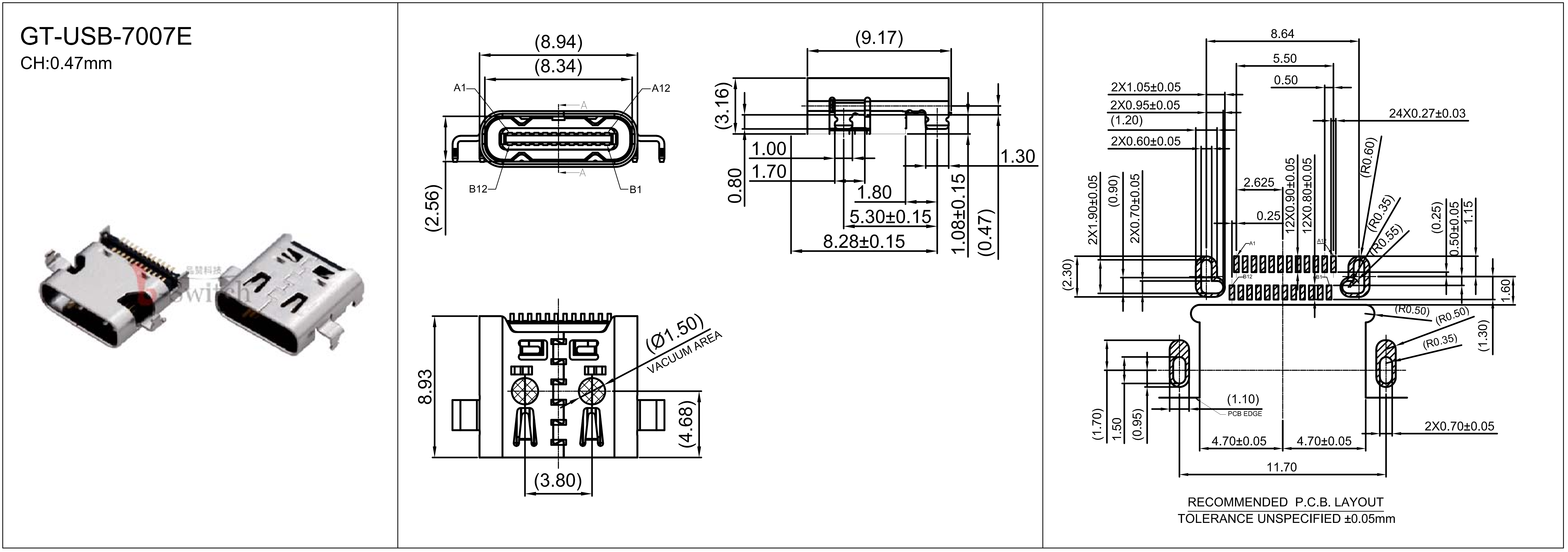
5 |
GT-USB-7007E |
24pin,双贴沉板1.1mm,CH0.5mm L8.93mm带弹,40Gbp/s |
 |
 |