无推柄8P血糖仪试纸连接器 带柱

无推柄8P血糖仪试纸连接器 带柱

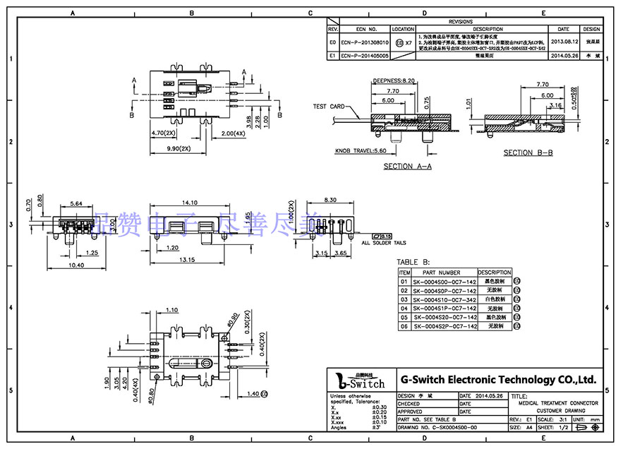
规格:14.1×8.3×3.0mm
型号:SK-0004S0P
包装:500/卷
声明:有关于产品的规格、参数、寿命、工作温度、手感、防水等级等数据,只代表品赞电子内部的测试结果,如需详细测试方式,请联系品赞业务人员。

基本说明

产品描述:
产品名称:血糖仪试纸连接器
产品尺寸:14.1×8.3×3.0mm

产品性能:8P 试纸连接器 无推柄
生产厂家:品赞/G-Switch
产品型号:SK-0004S0P
产品寿命:10,000次

基本参数:
额定负荷 Rating :DC16V 0.3A 
接触电阻 Contact Resistance :50mΩMAX
绝缘阻抗 Insulation Resistance: 100MΩMIN
适用温度 Ambient Temper.Used: -25 ℃ to 85 ℃
耐高压 Withstand Voltage :AC 500V(50-60HZ) 1min
适用湿度 Ambient Humidety Used :85% RH
焊接温度 Soldering Temper :265±5°10s
插拔力 Operating Force: 3-30N

尺寸图

产品说明

文件编号 DOC NO.:   版本 VERSION: 编写日期 DATE:   编写 WRTN: 审核  CHKD.: 批准  APPO.: 
GWS-023 A 2010.10.27
MODEL TYPE: MEDICAL TREATMENT CONNECTOR 李海鸥    
产品类型:
PART NO.:  
产品编号:
1. SCOPE 适用范围
     This specification covers the performance,  tests and quality requirements for  “MEDICAL TREATMENT CONNECTOR ”。
    本产品规范包涵了 “MEDICAL TREATMENT CONNECTOR ” 的性能、测试和品质要求。
2. APPLICABLE DOCUMENTS 使用说明
    In the event of conflict between the requirements of the specification and product drawing, the product drawing shall take 
    precedence, In the event of conflict between the requirements of the specification and the referenced documents, the 
    specification  shall take precedence.
    如果产品规范和产品图发生冲突时,以产品图为准;如果产品规范和相关参考文件发生冲突时,以产品规范为准。
3. PRODUCT DESCRIPTION 产品描述
   3.1 Design And Construction 设计和结构
   Product shall be of the design, construction and physical dimensions specified on the applicable product drawing.
   产品需符合产品图面规定的设计,结构和尺寸要求。
   3.2 Material and Plating 材料和电镀
   Refer to respective Getwell product drawings for information on materials, plating and marking; Solder component shall 
   meet lead-free soldering requirements and the connectors shall be RoHS compliant.
   相关的材料,电镀等信息请参照皓威的产品图面;焊接件需满足无铅焊接要求,产品需符合RoHS标准。
4. REQUIREMENTS 必要条件
   4.1 Rating 额定值
   Rated Voltage (Max) 额定电压:30V DC
   Rated Current (Max) 额定电流:0.5A
   Operating Temperature Range 工作温度范围:-20~+80℃ 
   Operating Humidity Range 工作湿度范围:95%H.R.Max. 
   Standard test conditions shall be 5 to 35℃ in temperature and 45 to 85% in humidity and 86kPa to 106kPa air pressure. 
   在温度为 5~35℃,湿度45~85%,86kPa~106kPa 大气压强的标准状态下进行实验测试。
   4.2 Performance and Test description 功能及测试条件描述
   The connectors shall be designed to meet the electrical, mechanical and environmental performance requirements specified 
   as belows. 产品的设计应满足如下电气,机械,及环境特性需求。
5. TEST REQUIREMENTS AND PROCEDURES SUMMARY 测试要求和程序概要
NO. Test items 项目 Requirments 规格要求   Condition and Test method 条件和测试方法
5-1 Examination of product
外观检查
No physical damage
无明显的物理损坏
EIA-364-18A.
Visual inspection.
目视检查。
PAGE  1  OF  4(第1页,共4页)

NO. Test items 项目 Requirments 规格要求   Condition and Test method 条件和测试方法
   Electronical characteristic 电气性能
5-2 Contact
 resistance
接触阻抗
100mΩ Max.
100毫欧以下。
EIA 364-23A
Subject mated contacts assembled in housing to be measured at 1KHz, 20mV  Max. open circuit  at 100 mA Max. by contact  resistance meter. 
将端子组装在塑胶体中,用阻抗仪器在1KHz, 最大20mV的开路电压和100mA的电流条件下进行测量。
5-3 Insulation resistance
绝缘阻抗
100MΩ Min..
100兆欧以上。
EIA 364-21B
Insert plug gauge into the specimen, apply 300V DC for 1 minute between adjacent terminals.
样品插入插头,对相邻端子之间加 300V DC,并持续1分钟进行测量。
5-4 Dielectric Withstanding
Voltage
耐电压
No flashover or insulation breakdown
无跳火或绝缘体击穿现象。
EIA 364-20A
Apply 300V AC (50Hz or 60 Hz) between adjacent terminals or ground for 1 minute.
在相邻端子之间之间加 300V AC (50Hz or 60 Hz),并持续1分钟。
   Mechanical characteristic 机械性能
5-5 Insertion and extraction
 force
插入&拔出力
Insertion force:
插入力度:0.25N-5N
Extraction force:
拔出力度:0.25N-5N
EIA 364-13A
Insertion and extraction force shall be measured after inserting and withdrawing 3 times by using a plug gauge, and then measure the  insertion and extraction force. Mating/unmating at a rate of 12.5mm per minute.
用插头插拔3次后,测量其插入和拔出的作用力。插入或拨出速度为每分钟12.5mm。
5-6 Durability
插拔耐久
(1) Appearance: No breakdown;
(2) Insertion & extraction force and Electrical characteristic shall be satisfied.
(3)Contact resistance:150mΩ Max
(1) 外观无损坏;
(2) 插拔力和电性能安全。
(3)接触电阻:150毫欧以下
EIA 364-09B
Inserting and withdrawing up to 100000 cycles repeatedly at the rated of between 15 and 18 cycles per minute.
每分钟插拨15次至18次,重复插拨100000次以上。
 Enviromental characteristic 环境性能
5-7 Solder-ability
可焊性
(1) Above 95% of  immersed area show
no voids or pin holes
(1)粘锡面积至少95%以上
EIA 364-52
Dip solder-tails in flux then immerse in
bath at 245±5℃ up to 0.5mm from the bottom of the housing for 4~5s
将锡脚浸到熔炉焊剂当中,温度为245±5℃,浸入
深度至少0.5mm,时间4~5秒
PAGE  2  OF 4(第2页,共4页)

NO. Test items 项目 Requirments 规格要求   Condition and Test method 条件和测试方法
5-8 Resistance
to soldering
heat
耐焊锡性热
(1)Without  any deformation of  case or excessive losseness of the pins.Electrical characteristics shall be satisfied 
(1)外观无变形,端子无松 动,并满足电气特性需求
Solder bath method锡炉焊锡方法:
Solder temperature焊锡温度:260±5℃
 Immersion time浸炉时间:10±1s
Solder iron method手工烙铁焊锡方法:
Solder temperature焊锡温度:350±10℃
Immersion time焊锡时间:3±1s
Excessive pressure shall not be applied to
the terminal不能有额外的压力施加于端子上
5-9 Resistance
to
heat
耐热
(1) Contact resistance: 150 mΩ Max
(2) Insulation resistance: 50 MΩ Min.
(3)Withstand voltage500V AC(50Hz or 60Hz)
(4)There shall be no sign of damage mechanically and electrically.
(1)接触电阻:150毫欧以下
(2)绝缘阻抗:50兆欧以上
(3)耐电压:AC 500
(4)无击穿现象及任何迹象显示机械及电气性能损坏。
EIA 364-17B
 80±2℃ for 96 hours, test after keeping in normal
condition for 30 minutes.
  在80±2℃环境中放96小时,再放在正常环境中,30分钟后进行测试。
5-10 Humidity test
恒温恒湿
EIA 364-31
 40±2℃ 90-95%RH for 96 hours, test after  keeping in normal condition for 30 min.
 在40±2℃ 90-95%RH 环境中放96小时,再放在正常环境中30分钟后进行测试。
5-11 Resistance to
cold
耐冷
EIA 364-17B
At -20±2℃ for 96 hours, test after keeping in normal condition for 30 min.  
在-20±2℃环境中放96小时再放在正常环境中30分钟后进行测试。
5-12 Salt spray
盐水喷雾
(1)Appearance:No noticeable rust and other physical  damage
(2)Contact resistance:50mΩ Max
(1)外观:无明显锈迹及其它的物理损坏
(2)接触电阻:150mΩ最大
 EIA 364-26
Mate plugs and expose to the following sal mist conditions.Upon completion of the exposure period,salt deposits shall be removed by a gentle wash or dip in running water,after which the specified measurements shall be performed.将公头插入并暴露于下面盐雾条件,这个过程完成后,沉积的盐粒要用软刷刷掉,并用流水冲洗干净,这些完成后,才能做相关指定的测试
NaCl solution氯化钠熔液
Concentration浓度:5±1%
Spray time喷雾时间:24H
Ambient temperature周围温度:35±2℃
PAGE  3  OF  4(第3页,共4页)

NO. Test items 项目 Requirments 规格要求   Condition and Test method 条件和测试方法
5-13 Resistance to Reflow Soldering Heat
耐回流焊热
(1) Tested housing shall show no evidence oflosseness of deformation or  fusion of housing and  no physical  damage.
(1) 测试塑胶无变形,熔化
Pre-Heat 预热150~170°C: 60~120sec
Heat加热220+/-10°C: 60sec. Min.
Heat Peak 峰值260+/-5°C: 10sec. Max.
(See FIG 1.)

东莞品电子科技有限公司开发、设计、生产:血糖仪试纸连接器5P、试纸接口连接器4P、9P试纸连接器、8P试纸连接器、7P试纸连接器等血糖仪试纸连接器。
联系我们 >
电话:0769-82388879
传真:0769-81888689
地址:东莞市滨海湾新区信鸿欧菲光科创中心2号厂房701室
扫码咨询
公安备案号 : 44190002003787   粤ICP备18078670号   G-Switch 东莞品赞电子
品赞电子专业生产高质量轻触开关、防水轻触开关、轻触按键开关、Type-c连接器、防水Type-c母座等!电话:0769-82388879
技术支持:恒点互联