主页 > 新闻资讯 > 轻触开关资讯 > 简单轻触开关开关电路

简单轻触开关开关电路

  • 作者:G-Switch
  • 发布时间:17-12-09 11:56
  • 点击数:7896
 简单轻触开关电路已经广泛应用于P D A 、手机和电子词典等数码产品中, 其实现方式多种多样。一般可采用R S触发器、计数器以及采用5 5 5 集成电路等等。在单片机的一些实际应用中,以上的实现方式会增加整个电路的复杂度,不能达到简洁、实用的效果。本文将介绍一种可以在单片机应用中实现的,简易、稳定的轻触式单键开关电路。我们对于开关电路的研究是专业的,具有非常丰富的产品开发生产经验。

1.轻触开关电路原理:
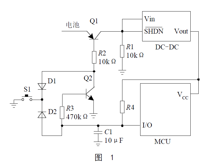
  如图1 所示,D C - D C 为一个带有关断控制端SHDN的直流稳压电源芯片,M C U 是一个单片机。当按下S 1时,Q 1 和D 1 导通, 稳压芯片工作, 为单片机供电。单片机马上将相应的I / O 引脚置为输出高, 这时Q 1 和Q 2导通, 整个电路进入工作状态。而后单片机再将这个I /O 引脚设置为输入, 由于上拉电阻R 4 的存在,Q 1 和Q 2一直导通。单片机一直扫描相应I / O 输入状态,如果S 1没有按下去,则这个I/O 将始终为高。当S1 再次按下去时,D2 导通,单片机检测到这个I / O 引脚输入为低,这时单片机就将这个I/O 设置成输出为低的状态。Q2 截止,如果按键抬起,Q 1 也会截止, 稳压芯片将不会为单片机提供电压, 整个电路处于关断状态。

2.关于R3和上拉电阻R4的取值:
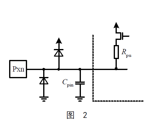
  在一些单片机中,例如AVR 系列单片机ATmega8L,带有内部上拉电阻R p u , 如图2 所示。可以通过单片机程序控制电阻上拉与否, 从而不需要外接上拉。一般情况下,R3 取值要远大于R 4 ,否则单片机I/O的输入电压V p i n 会有低于标准输入电压V I H 最低值的可能。从ATmega8L 数据手册中查到Rpu 取值在20k Ω~100k Ω之间,又因为VIH 的最小值约为0.6VCC。因此R3/(R3+R4)>0.6,取R4=50k Ω,并取R3/(R3+R4)=0.8 ,所以R3 取值应该在200k Ω左右的范围,可以根据实际工作情况来选择具体的R 4 取值。

3.对VIN链接方式的处理:
  从图1 上不难看出,采用这种控制方式后,Q 1 上将会消耗一定的功率。一种降低功率消耗的方式就是将V i n 直接接到电池上去,可以根据电路灵活掌握。

4.电容C1的作用:
  对于一般的AVR 单片机来说,内部都有BOD(BrowndownDetection)电路。这个电路具有低电压检测功能:当输入电压由高变低时, 单片机就会自动复位。如图1 所示,想关机的时候,按下S 1 ,单片机输出低。按键抬起后,Q 1 、Q 2 截止, 单片机掉电。然而单片机的B O D 电路检测到单片机的电压突然降低后, 就会使单片机复位,并将I/O 设置为上拉状态,Q1、Q2 导通,导制电路再次开启。加入C1 后,使单片机掉电后要对C 1进行充电, 而在C 1充电没有达到单片机工作最低电压期间,Q1、Q2 已经截止了, 从而打乱了单片机复位操作。

5.开关机延时处理:
  在一些具体的应用场合,例如手机等数码产品, 开关机都需要延时操作。一种简单的实现方式就是, 单片机在按键按下时开始计数, 直到按键抬起。只有这个计数值足够大, 才允许开机,否则不认为是开机
操作。同理,关机也可以做类似的处理。

总结:
  品赞电子在轻触开关生产厂家行业中对于开关电路深入研究20多年,简单的开关电路与单键的开关开关电路都是有非常专业的研发团队,根据开关的电路来设定开关新的机械式轻触按键,这也是品赞在行业立足于20多年,经久不衰的发展根本。简单的来讲我们是专业的,也是性价比较高的国内品牌,你还在考虑什么?赶紧联系我们与我们合作吧!
联系我们 >
电话:0769-82388879
传真:0769-81888689
地址:东莞市滨海湾新区信鸿欧菲光科创中心2号厂房701室
扫码咨询
公安备案号 : 44190002003787   粤ICP备18078670号   G-Switch 东莞品赞电子
品赞电子专业生产高质量轻触开关、防水轻触开关、轻触按键开关、Type-c连接器、防水Type-c母座等!电话:0769-82388879
技术支持:恒点互联