主页 > 新闻资讯 > 行业新闻 > 品赞量产超小型沉板侧按轻触开关

品赞量产超小型沉板侧按轻触开关

  • 作者:G-Switch
  • 发布时间:19-10-25 15:28
  • 点击数:16800
     2017年9月份注定不是一个平凡的月份,在这金九银十的旺季里,我们品赞并没有忘记我们使命。在这供不应求的月份里,我们还是坚持了我们的精神,当然我们也不是在蹭苹果的热度,全世界都知道最近苹果发布了它的旗舰机型IPHONEX,当然这跟我们没有太大的关系。也不能说完全没有关系,因为我们的产品就是配合手机在使用的,我们今天要发布的就是我们品赞,经过多位工程是的不懈努力和老板的支持,所研发并量产的超小型沉板侧按轻触开关。
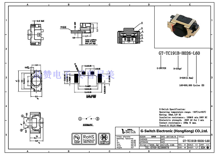
    做为轻触开关生产厂家,我们有必须带着这个行业不断的更新进步,不断的突破自己,改进自己,才能不断的在进步。今天我们要介绍的就是左图中的产品,该款产品的长宽为:2.2×4.5mm,高度为2.6mm,沉板高度为0.6mm;更为可怕的是该款产品寿命高达600,000次,是的你绝对没有看错,这么小的一款侧按轻触开关我们做到的寿命不是10W次是而是60W次,没错我们品赞电子就是超乎你的想象。该产品的应用范围:手机、平板、耳机、FPC软板、数码产品等电子产品。



  这么优秀的一款侧按轻触开关,我们品赞电子发布了,发布的同时我们并没有保留它的尺寸图,很多人说这个是商业机密,最好是不能给同行知道,今天我们品赞电子就是要告诉你什么是技术,不是你可以模仿的,我们的目标是做好中国人自己的品牌,这就是我们品赞。我们的有我们的团队优势,有我们的技术领域,所以在做轻触开关方便我们是不怕的,我们怕的是你用不起我们的产品。说了这么多,如果您对于我们的产品有需求,认可我们的理念,那么就请您接受我们的价格,并联系我们的销售业务吧!网站:www.dg-switch.com


 
联系我们 >
电话:0769-82388879
传真:0769-81888689
地址:东莞市滨海湾新区信鸿欧菲光科创中心2号厂房701室
扫码咨询
公安备案号 : 44190002003787   粤ICP备18078670号   G-Switch 东莞品赞电子
品赞电子专业生产高质量轻触开关、防水轻触开关、轻触按键开关、Type-c连接器、防水Type-c母座等!电话:0769-82388879
技术支持:恒点互联